Ford Workshop Service and Repair Manuals
HOME
FEATURES
MENU
INDEX
ABOUT US
Diagram Information and Instructions|Page 7044 >
< Diagram Information and Instructions|Page 7042
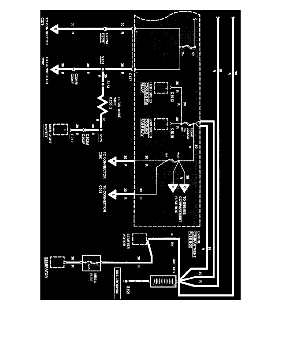
Contour V6-153 2.5L DOHC (1996)
Power and Ground Distribution
Fuse Block / Component Information
Diagrams / Diagram Information and Instructions
Page 7043
Page 30
Power Distribution
Power and Ground Distribution
Fuse Block / Component Information
Diagrams / Diagram Information and Instructions
Page 7043
Diagram Information and Instructions|Page 7044 >
< Diagram Information and Instructions|Page 7042