ford Workshop Repair Guides

Ford Workshop Service and Repair Manuals

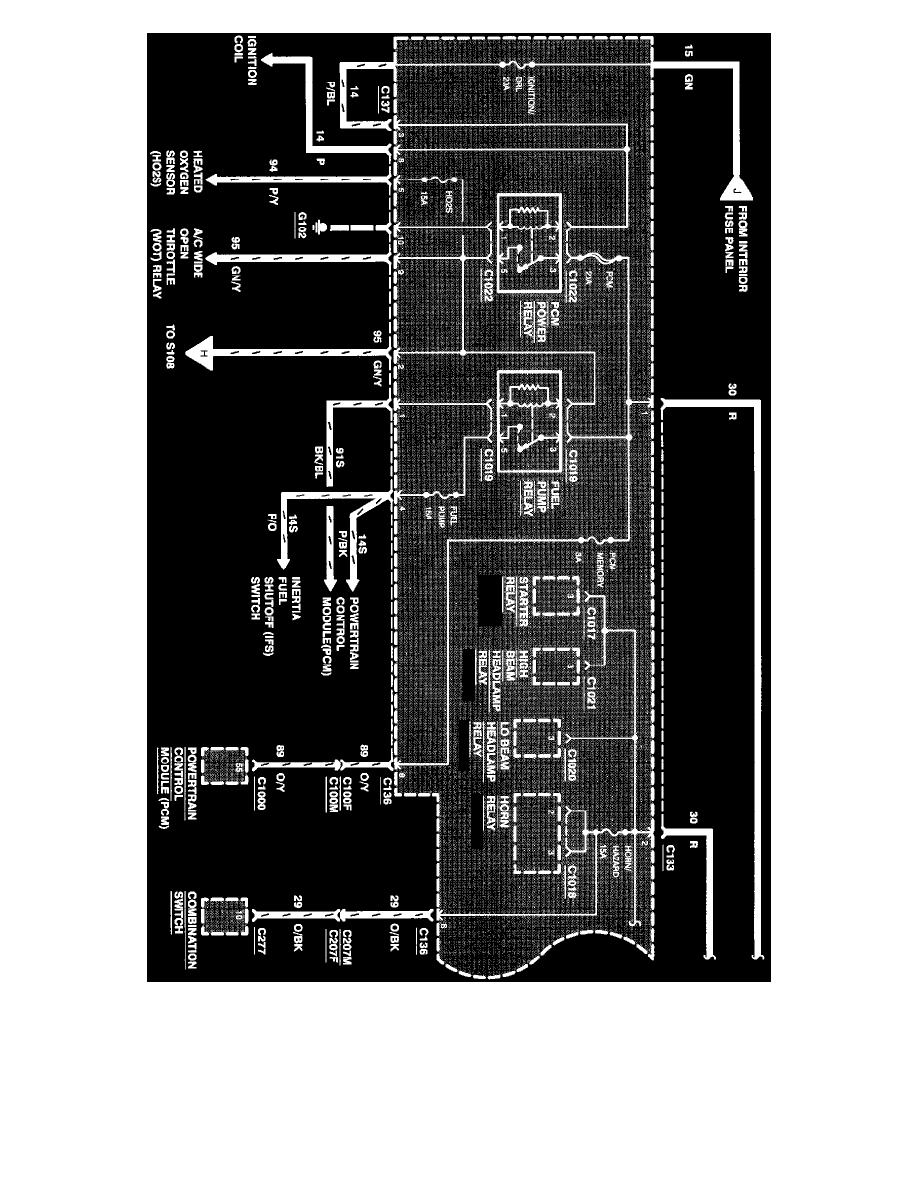
Diagram Information and Instructions|Page 7045 > < Diagram Information and Instructions|Page 7043
Page 31
background image

Power Distribution

Fuse MAIN

Fuse MAIN - protects the following circuits:

^

Central Timer Module

^

All Circuits Except Engine Cooling Fans

^

Anti-Lock Brake System

^

Ignition Switch

Diagram Information and Instructions|Page 7045 > < Diagram Information and Instructions|Page 7043