Ford Workshop Service and Repair Manuals
HOME
FEATURES
MENU
INDEX
ABOUT US
Diagram Information and Instructions|Page 6690 >
< Diagram Information and Instructions|Page 6688
Contour V6-153 2.5L DOHC (1996)
Starting and Charging
Power and Ground Distribution
Fuse Block / Component Information
Diagrams / Diagram Information and Instructions
Page 6689
Page 34
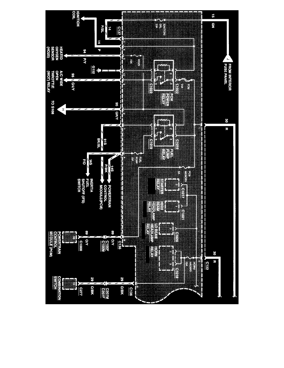
Power Distribution
Fuse PCM
Fuse PCM
- protects the following circuits:
^
Powertrain Control Module
Starting and Charging
Power and Ground Distribution
Fuse Block / Component Information
Diagrams / Diagram Information and Instructions
Page 6689
Diagram Information and Instructions|Page 6690 >
< Diagram Information and Instructions|Page 6688