ford Workshop Repair Guides

Ford Workshop Service and Repair Manuals

Diagram Information and Instructions|Page 6691 > < Diagram Information and Instructions|Page 6689
Page 35
background image

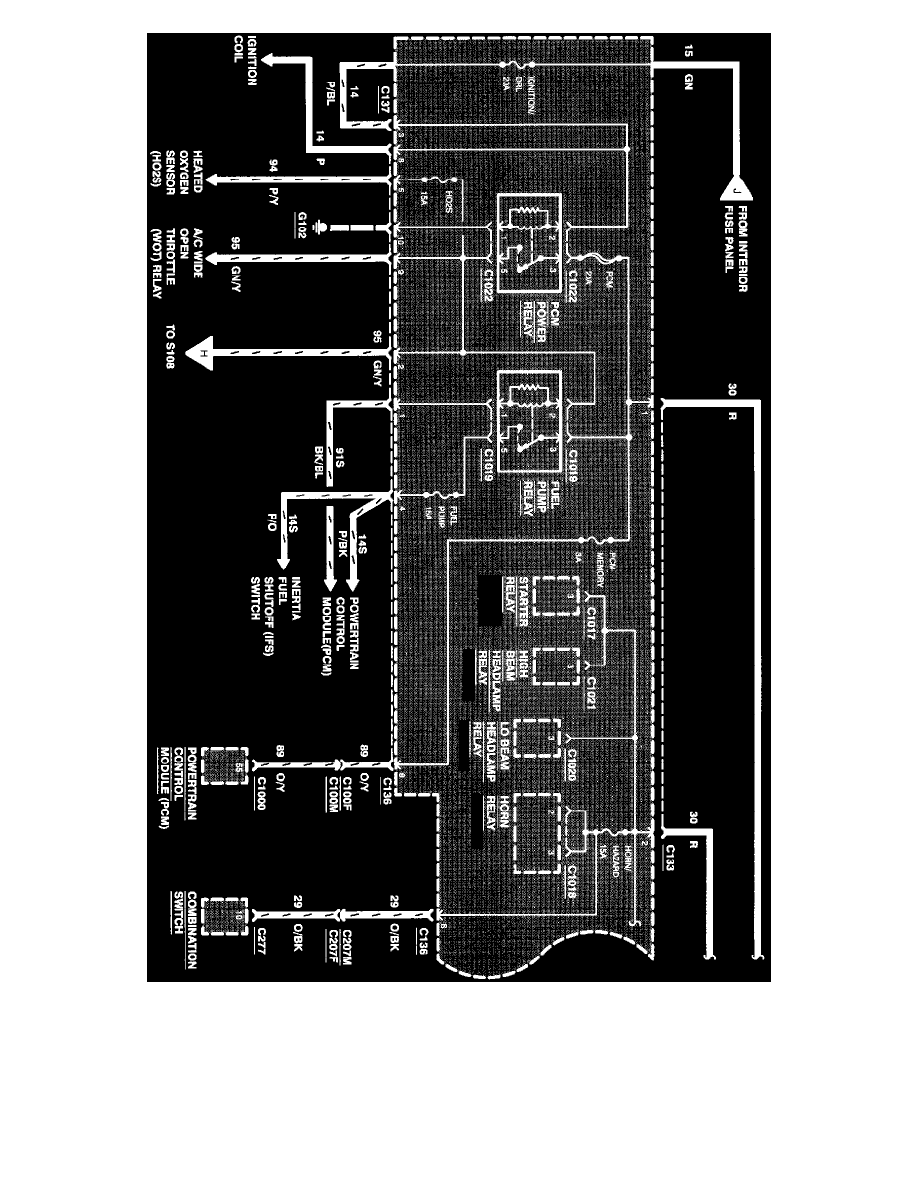
Power Distribution

Fuse PCM MEMORY

Fuse PCM MEMORY - protects the following circuits:

^

PCM Memory Circuits

Diagram Information and Instructions|Page 6691 > < Diagram Information and Instructions|Page 6689