Explorer 2WD V6-4.0L VIN K (2007)
95-3
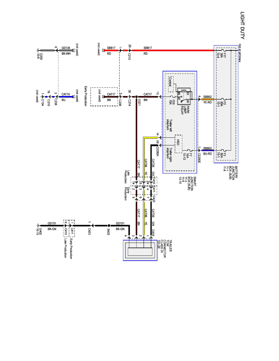
Diagrams: Other diagrams referred to by number (See Diagram ##-#, etc.) within these diagrams can be found at Diagrams By Number. See:
Diagrams/Electrical Diagrams/Diagrams By Number
Locations: Location Views (reference numbers starting with 151-) referred to within these diagrams can be found at Component Location Views. See:
Diagrams/Components/Component Location Views
