Ford Workshop Service and Repair Manuals
HOME
FEATURES
MENU
INDEX
ABOUT US
Diagram Information and Instructions|Page 8309 >
< Diagram Information and Instructions|Page 8307
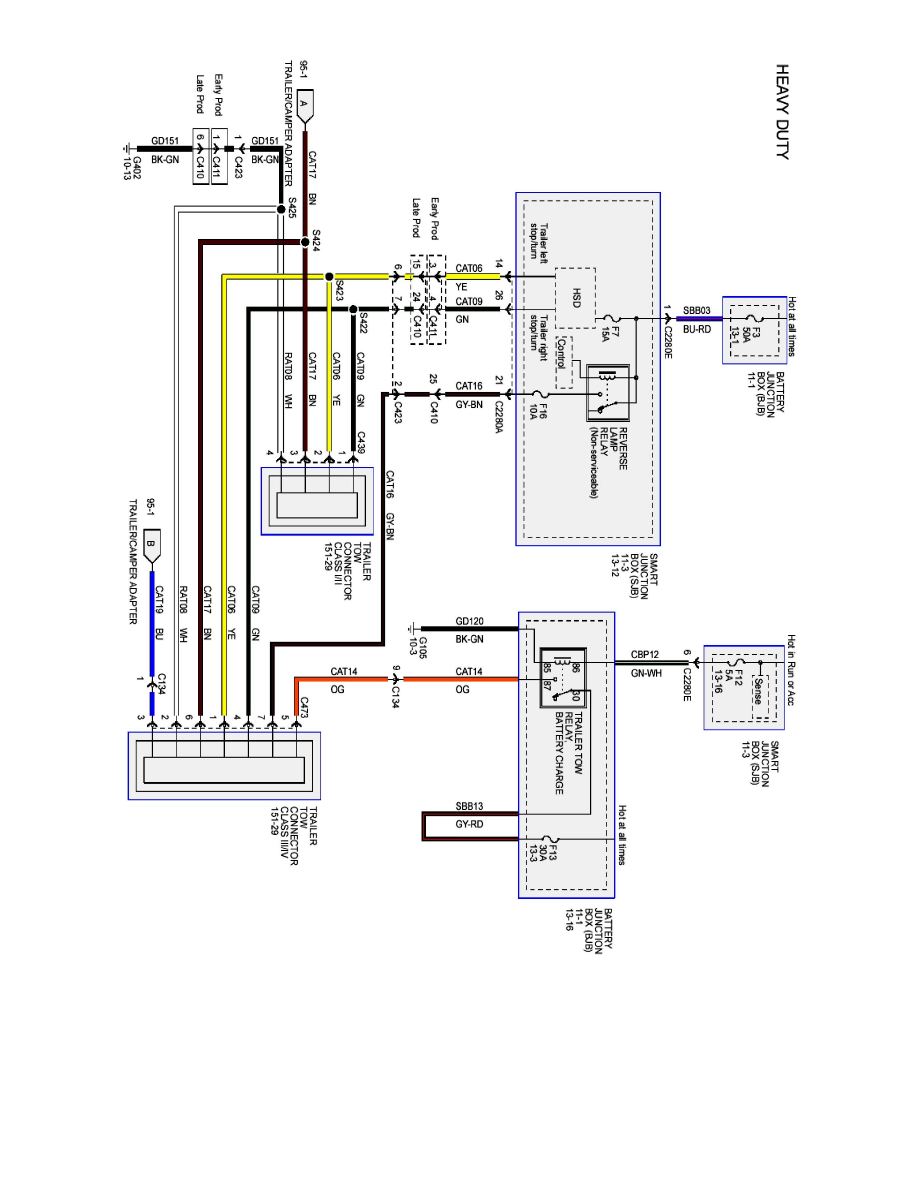
Explorer 2WD V6-4.0L VIN K (2007)
Accessories and Optional Equipment
Towing / Trailer System
Trailer Connector / Diagrams / Diagram Information and Instructions
Page 8308
Page 2
95-2
Accessories and Optional Equipment
Towing / Trailer System
Trailer Connector / Diagrams / Diagram Information and Instructions
Page 8308
Diagram Information and Instructions|Page 8309 >
< Diagram Information and Instructions|Page 8307