ford Workshop Repair Guides

Ford Workshop Service and Repair Manuals

General Procedures > < 303-01A Engine - 1.3L Endura-E (HCS)|Specifications
Engine - 1.3L Endura-E (HCS) - Engine Fiesta 1996 (08/1995-02/2002)
Description and Operation

General

The basic engine for the Fiesta is the Endura-E engine. This familiar 1,3 liter engine has been revised and is now available in two versions with 37 kW (50 PS) and 44 kW (60 PS). The 37 kW variant will only be available in Germany and Austria.

The main changes to the previous model include sequential, electronically controlled multiport fuel injection, a new aluminium oil pan and a thermoplastic intake manifold.

From '99 1/2 MY the mass air flow (MAF) and the intake air temperature (IAT) sensor are no longer installed.

The new temperature/manifold absolute pressure (T-MAP) sensor will be integral with the intake manifold.

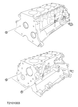
Cylinder Block

Thread repairs to the cylinder block are permitted provided that Helicoil thread inserts are used. The remaining material thickness must be at least 3,2 mm for diameters up to 9,5 mm and at least 4,8 mm for larger diameters. Water plugs must not be removed.

Crankshaft

CAUTION:
CAUTION:The bolts of the main and big-end bearings must not be reused.

The crankshaft runs on five bearings. The bearing caps are numbered at the factory and should be refitted accordingly during installation. The first main bearing has a seat for the tensioning arm of the chain tensioner.

NOTE:
NOTE:When measuring the crankshaft, note the colored marks.

The crankshaft and the main bearing caps have colored marks which indicate their size. With the bearing caps these marks are on the bearing caps themselves, and on the crankshaft the colored marks are on the crank webs.

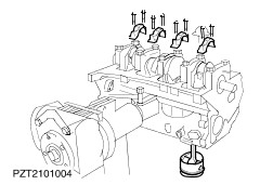
Cylinder Head

The cast iron cylinder head is positioned on the cylinder block with two sleeves, and fastened with ten bolts.

CAUTION:
CAUTION:The cylinder head bolts may be re-used once, they must however be clearly marked for re-use by a punch mark.
NOTE:
NOTE:The cylinder head bolts must be tightened in three stages according to the tightening sequence.

The cylinder head mating face is allowed to show distortion of 0,25 mm over the whole length.

Thread repairs are permitted provided that Helicoil thread inserts are used.

Cylinder Head Gasket

NOTE:
NOTE:Reworking of the cylinder head mating face is not permitted.

The cylinder head gasket is made of aramide fiber with filler and must be renewed every time it is removed. The gasket is steel-coated for protection around the oil pressure bore and the cylinder bore.

Pistons

The pistons are made of an aluminium-silicone alloy, and have three piston rings:

Barrel faced plane ring (top)

Napier ring (middle)

Oil scraper ring (bottom)

Piston rings can be renewed separately, without reworking the cylinder liners.

On installation, the piston ring gaps must be distributed around the circumference and spaced at least 90 degrees apart.

The arrows on the piston crown point forwards.

Oil Pan

CAUTION:
CAUTION:When installing the aluminium oil pan, make sure that the aluminium oil pan and the rear side of the cylinder block form a flat surface.
NOTE:
NOTE:The timing cover and the crankshaft oil seal carrier must be flush with the cylinder block.
NOTE:
NOTE:The oil pan fitted in vehicles with air conditioning is made of aluminium, otherwise it is made of sheet steel.

On installation, the tightening sequence for the bolts must be observed.

Renew the gasket of the aluminium oil pan if there is any visible damage to it.

Sealer should be applied to the cylinder block when installing the oil pan.

Thread repairs on the oil pan are permitted provided Helicoil thread inserts are used.

Intake Manifold

CAUTION:
CAUTION:Do not use the intake manifold as a levering/resting point when removing or installing the engine.

The intake manifold is made of thermoplastic. This design has two advantages: it reduces weight and conducts less heat than the die-cast version.

The use of plastic also improves the flow characteristics, reduces the tendency to condensation at cold start and improves the response of the engine during a warm start.

Valve Train

NOTE:
NOTE:When removing and installing the rocker shaft, do not adjust the rocker arm bolts.

The valve timing is controlled by the crankshaft via a single roller chain to the low lying camshaft. The camshaft transmits the timing actions to the valves via tappets, push rods and a rocker shaft.

Thermostat

CAUTION:
CAUTION:To ensure that the thermostat functions correctly, always ensure that it is installed correctly.

The gasket of the thermostat housing must be renewed every time the thermostat housing is fitted.

General Procedures > < 303-01A Engine - 1.3L Endura-E (HCS)|Specifications