ford Workshop Repair Guides

Ford Workshop Service and Repair Manuals

Diagnosis and Testing > < Cooling Fan Motor and Shroud
Engine Cooling - 2.0L Duratorq-TDCi (DW) Diesel - Engine Cooling S-MAX/Galaxy 2006.5 (03/2006-)
Description and Operation

Coolant circuit

 
Item
Part Number
Description
1
-
Heat exchanger
2
-
Thermostat housing
3
-
Bypass solenoid valve
4
-
Thermostat
5
-
Shutoff solenoid valve
6
-
Radiator
7
-
Oil/coolant heat exchanger
8
-
Coolant reservoir
9
-
Cylinder block
10
-
Coolant pump
11
-
EGR cooler

Thermostat housing

 
Item
Part Number
Description
1
-
Bypass solenoid valve
2
-
Connection to coolant reservoir
3
-
Connection to radiator inlet
4
-
Connection to the oil/coolant heat exchanger
5
-
Connection to radiator outlet
6
-
Connection to coolant pump
7
-
Connection to heat exchanger
8
-
engine coolant temperature (ECT) sensor
WARNING:
WARNING:The ECT sensor must not be removed while the cooling system is pressurised.

The thermostat housing is attached to the cylinder head on the transmission side of the engine.

The ECT sensor is located on the thermostat housing and is attached by means of a clip.

The thermostat housing contains the thermostat and the bypass solenoid valve. The thermostat is a conventional design.

The thermostat housing is made of plastic and cannot be disassembled when the vehicle is serviced. The ECT sensor can be replaced separately.

Operating principle

The shut-off solenoid valve is located in the feed from the thermostat housing to the coolant reservoir. It limits coolant flow to the coolant reservoir during the engine warm up phase.

The bypass solenoid valve is located between the coolant outlet on the cylinder head and the supply to the coolant pump. It limits the coolant flow to the coolant pump during the warm up phase.

Most of the coolant is passed to the heat exchanger and flows back to the coolant pump via the exhaust gas recirculation (EGR) cooler.

At a certain coolant temperature, the bypass solenoid valve starts to open and remains open until the operating temperature of the engine is reached.

As soon as the engine reaches operating temperature, the thermostat is opened and the bypass solenoid valve closes proportionally in relation to the thermostat.

When the engine is warmed up, the thermostat is wide open, as is the shutoff solenoid valve, and the bypass solenoid valve is fully closed. The large coolant circuit is open in this state.

Using a shutoff solenoid valve and a bypass solenoid valve speeds up the warm up phase of the engine, and a faster temperature rise in the passenger compartment is achieved.

The bypass solenoid valve and the shutoff solenoid valve are controlled by the powertrain control module (PCM).

Bypass solenoid valve

 
Item
Part Number
Description
1
-
Wiring harness electrical connector
2
-
External seal
3
-
Seal
4
-
Seal
5
-
Solenoid valve

Using a bypass solenoid valve enables the engine to reach operating temperature more quickly.

According to the value supplied by the PCM, the bypass solenoid valve partly or completely prevents the coolant flow between the coolant outlet on the cylinder head and the coolant pump.

It cannot be replaced by itself.

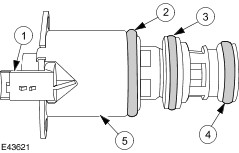
Coolant pump

 
Item
Part Number
Description
1
-
Seal
2
-
Coolant pump

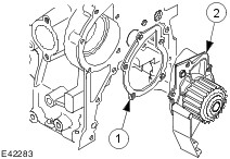
The coolant pump is installed on the timing end of the engine and is driven by the timing belt.

The coolant pump housing is made of an aluminium alloy and is secured with five bolts.

The impeller of the coolant pump is made of plastic.

The joint between the coolant pump and the cylinder block is made using a rubberised metal gasket.

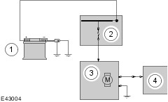
Radiator fan control

 
Item
Part Number
Description
1
-
Vehicle battery
2
-
Battery junction box
3
-
Cooling fan module
4
-
PCM

Radiator fan speed is controlled by the radiator fan module as a function of input signals from the PCM.

The radiator fan module is located on the radiator fan housing.

Communication between the radiator fan module and the PCM is done on the CAN bus using pulse width modulation.

The cooling fan speed is regulated steplessly.

Diagnosis and Testing > < Cooling Fan Motor and Shroud