Hyundai Workshop Service and Repair Manuals
HOME
FEATURES
MENU
INDEX
ABOUT US
Diagram Information and Instructions|Page 902 >
< Battery Temperature Sensor|Locations
Genesis Sedan V8-4.6L (2011)
Powertrain Management
Computers and Control Systems
Body Control Module
Component Information
Diagrams
Diagram Information and Instructions
Page 1
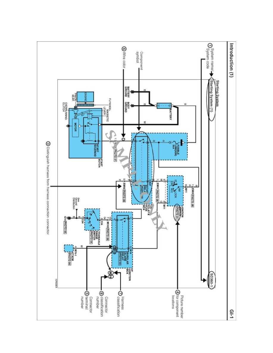
Body Control Module: Diagram Information and Instructions
Schematic Diagrams
INTRODUCTION
Powertrain Management
Computers and Control Systems
Body Control Module
Component Information
Diagrams
Diagram Information and Instructions
Diagram Information and Instructions|Page 902 >
< Battery Temperature Sensor|Locations