Isuzu Workshop Service and Repair Manuals
HOME
FEATURES
MENU
INDEX
ABOUT US
Liftgate Window Glass|Specifications|Page 7904 >
< Front Door Window Glass Weatherstrip|Service and Repair|Page 7900
Rodeo LSE 4WD V6-3.2L (2000)
Windows and Glass
Windows
Window Glass
Liftgate Window Glass
Component Information
Specifications
Page 1
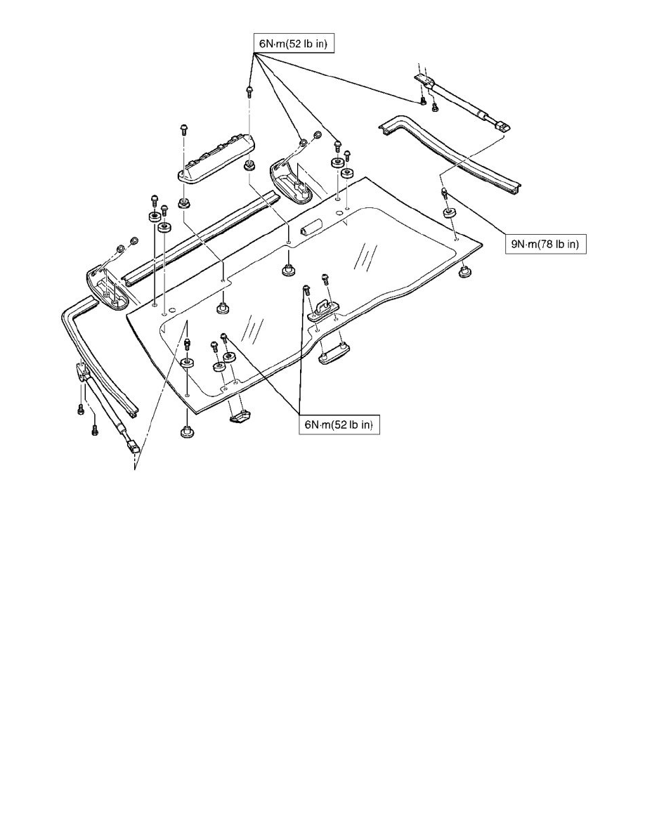
Torque Specification (Part 6)
Windows and Glass
Windows
Window Glass
Liftgate Window Glass
Component Information
Specifications
Liftgate Window Glass|Specifications|Page 7904 >
< Front Door Window Glass Weatherstrip|Service and Repair|Page 7900