isuzu Workshop Repair Guides

Isuzu Workshop Service and Repair Manuals

Diagram Information and Instructions|Page 5991 > < Diagram Information and Instructions|Page 5989
Page 19
background image

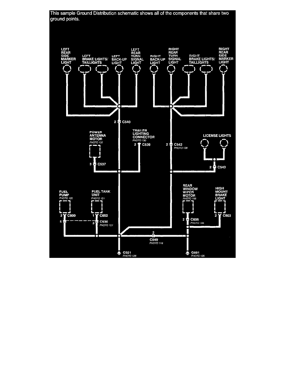
Ground Distribution Schematics

This sample Ground Distribution schematic shows all of the components that share two ground points.

Diagram Information and Instructions|Page 5991 > < Diagram Information and Instructions|Page 5989