Isuzu Workshop Service and Repair Manuals
HOME
FEATURES
MENU
INDEX
ABOUT US
Fusible Link >
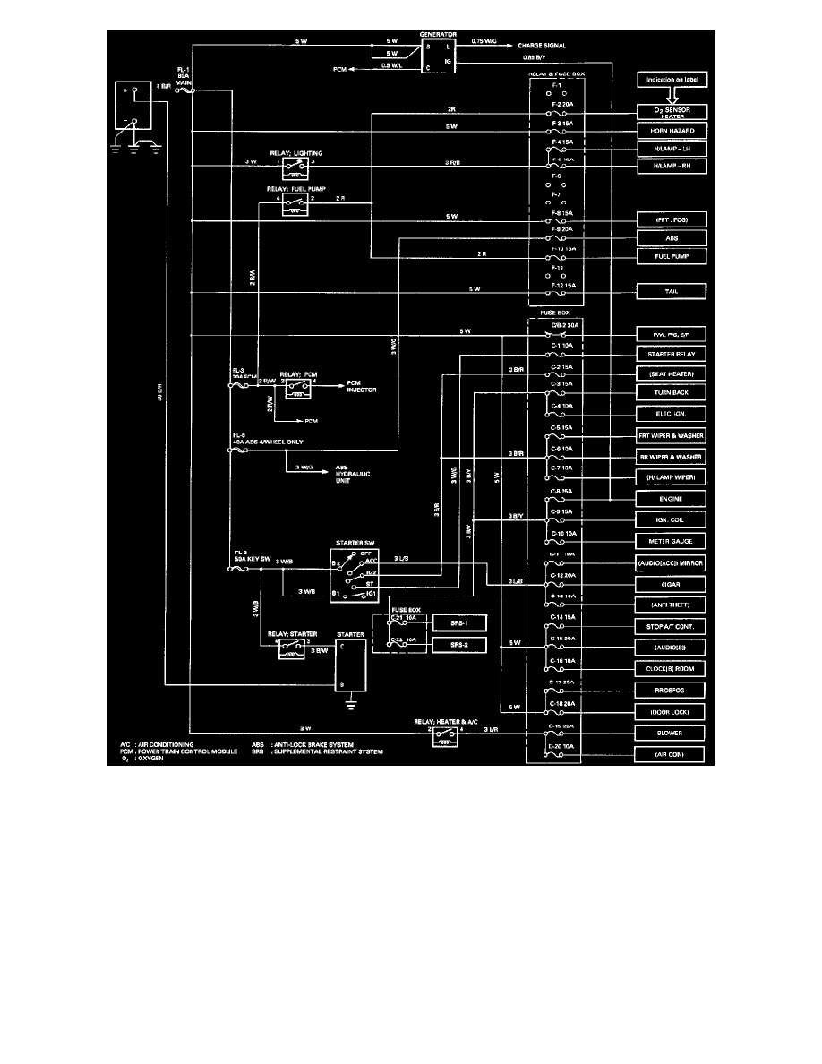
< Diagram Information and Instructions|Page 1192
Trooper LTD V6-3165cc 3.2L SOHC MFI (6VD1) (1997)
Maintenance
Fuses and Circuit Breakers
Fuse Block / Component Information
Diagrams / Diagram Information and Instructions
Page 1193
Page 1
Maintenance
Fuses and Circuit Breakers
Fuse Block / Component Information
Diagrams / Diagram Information and Instructions
Page 1193
Fusible Link >
< Diagram Information and Instructions|Page 1192