Jeep Workshop Service and Repair Manuals
HOME
FEATURES
MENU
INDEX
ABOUT US
Speedometer Head >
< Diagram Information and Instructions|Page 4514
Cherokee 4WD L4-150 2.5L VIN E TBI (1989)
Instrument Panel, Gauges and Warning Indicators
Sensors and Switches - Instrument Panel
Temperature Switch (Warning Indicator) / Component Information
Diagrams / Diagram Information and Instructions
Page 4515
Page 1
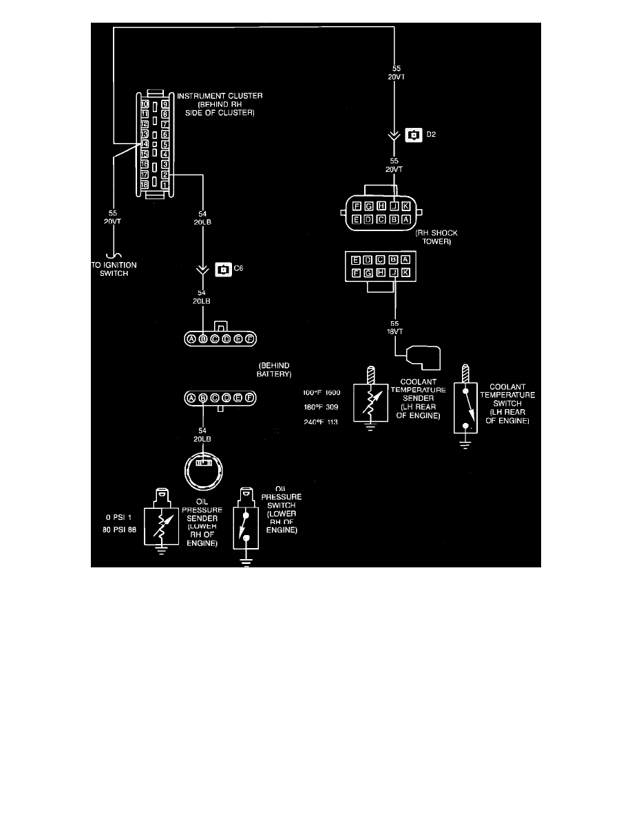
Oil Pressure & Temperature System Wiring Circuit
Instrument Panel, Gauges and Warning Indicators
Sensors and Switches - Instrument Panel
Temperature Switch (Warning Indicator) / Component Information
Diagrams / Diagram Information and Instructions
Page 4515
Speedometer Head >
< Diagram Information and Instructions|Page 4514