Borrego 4WD V6-3.8L (2009)

Power Steering Pump: Removal and Replacement
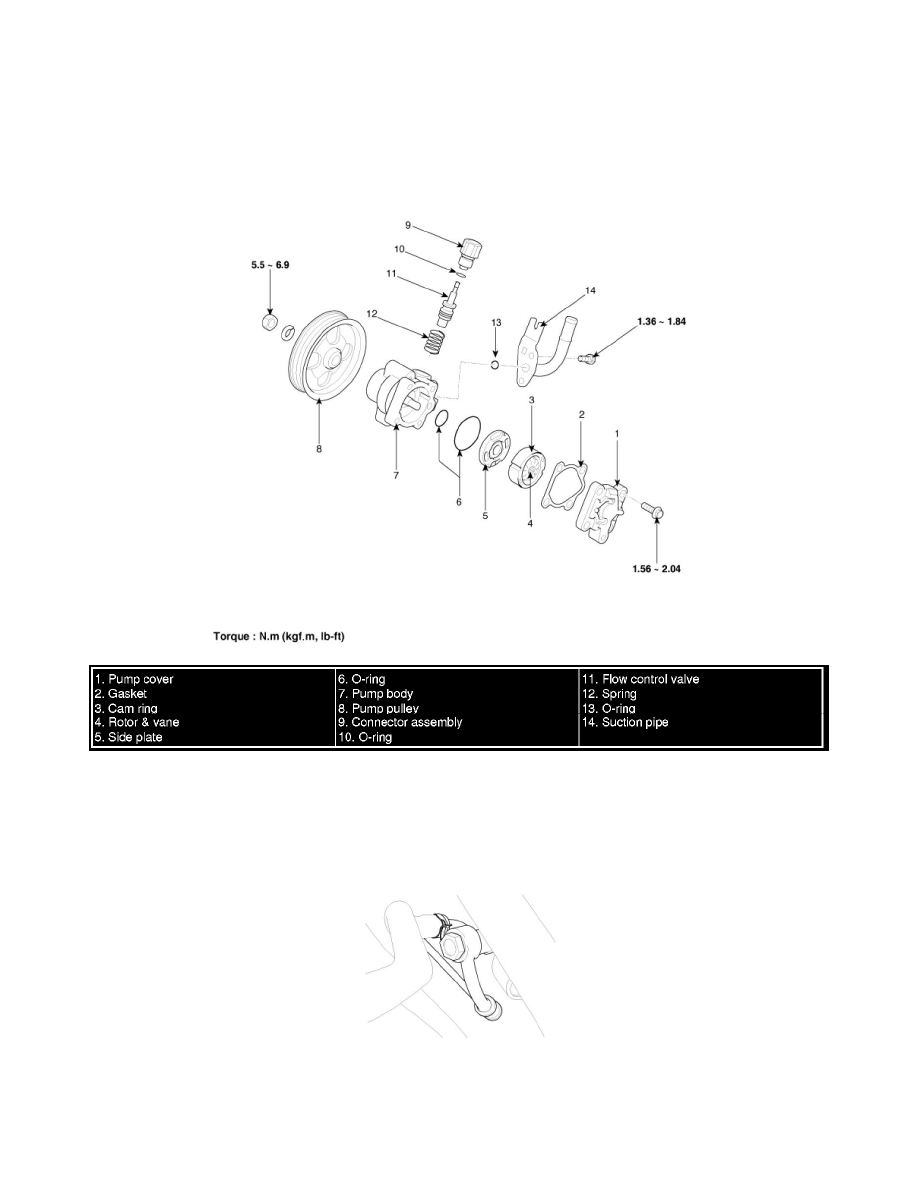
Components and Components Location
Components
Repair Procedures
Replacement
[G 3.8 V6 DOHC]
1. Disconnect the pressure tube and return hose from the power steering pump.
2. Remove the drive belt.
3. Loosen the mounting bolt.