Kia Workshop Service and Repair Manuals
HOME
FEATURES
MENU
INDEX
ABOUT US
Components and Components Location|Page 1259 >
< Timing Belt|Specifications|Page 1256
Soul L4-2.0L (2010)
Maintenance
Timing Belt / Component Information
Service and Repair
Components and Components Location
Page 1
Timing Belt: Service and Repair
Components and Components Location
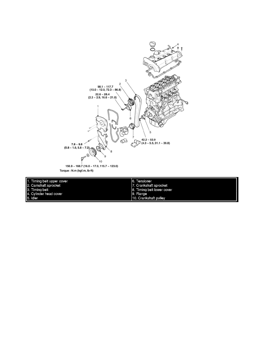
Components
Maintenance
Timing Belt / Component Information
Service and Repair
Components and Components Location
Components and Components Location|Page 1259 >
< Timing Belt|Specifications|Page 1256