Freelander Service Procedures
ENGINE MANAGEMENT SYSTEM - SIEMENS
REPAIRS
18-3-3
Coil - each - LH bank - up to 03MY
$% 18.20.46
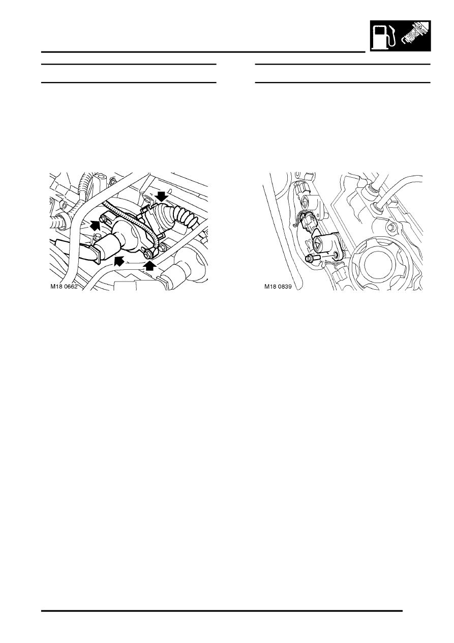
Remove
1. Disconnect battery earth lead.
2. Remove engine acoustic cover.
ENGINE - K SERIES KV6, REPAIRS,
3. Release ht lead from plug top coil.
4. Release locking clip and disconnect multiplug
from plug top coil.
5. Remove nut, release earth lead, remove bolt
securing plug top coil to LH inlet manifold and
remove coil.
Refit
1. Fit plug top coil to LH inlet manifold, position
earth lead, fit and tighten nut and bolt to 9 Nm
(6.5 lbf.ft).
2. Connect multiplug to plug top coil and secure
with locking clip.
3. Connect ht lead to plug top coil.
4. Fit engine acoustic cover.
ENGINE - K SERIES KV6, REPAIRS,
5. Connect battery earth lead.
Coil - each - LH bank - from 03MY
$% 18.20.46
Remove
1. Disconnect battery earth lead.
2. Remove the engine acoustic cover.
ENGINE - K SERIES KV6, REPAIRS,
3. Withdraw multiplug lock, release and
disconnect plug top coil multiplug.
4. Remove bolt securing plug top coil to camshaft
rocker cover.
5. Remove plug top coil from camshaft rocker
cover.
Refit
1. Apply a rubber lubricant to plug top coil, lower
seal.
2. Fit plug top coil to camshaft rocker cover, fit bolt
and tighten to 5 Nm (3.7 lbf.ft).
3. Fit and secure plug top coil multiplug.
4. Fit the engine acoustic cover.
ENGINE - K SERIES KV6, REPAIRS,
5. Connect the battery earth lead.
