ES 330 V6-3.3L (3MZ-FE) (2004)
ABS Light: Testing and Inspection
ABS W/EBD System
ABS Warning Light Circuit (Remains On)
ABS WARNING LIGHT CIRCUIT (REMAINS ON)
CIRCUIT DESCRIPTION
If the ECU detects trouble, it lights the ABS warning light while at the same time prohibiting ABS control. At this time, the ECU records a DTC in
memory.
Connect terminals Tc and CG of the DLC3 to make the ABS warning light blink and output the DTC.
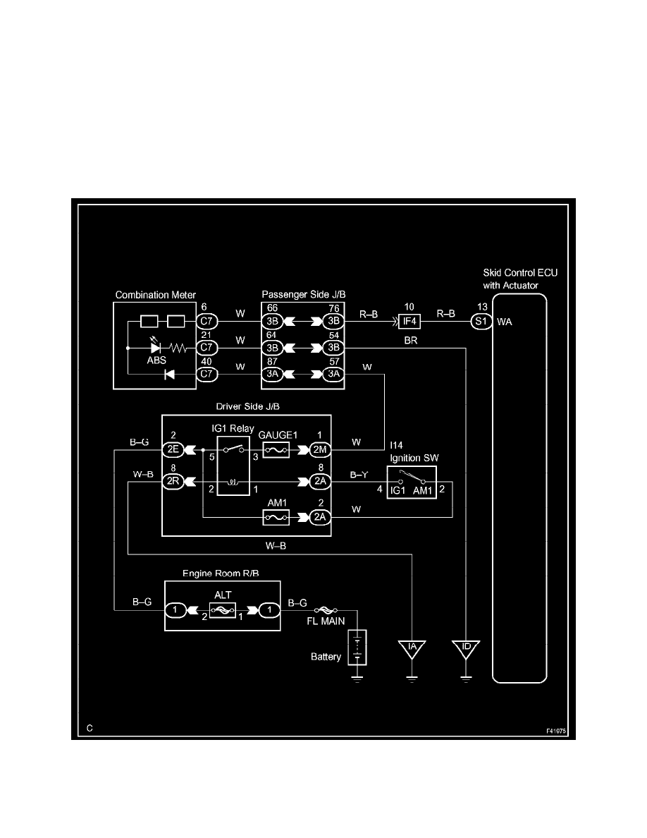
Wiring Diagram
