GS 350 AWD V6-3.5L (2GR-FSE) (2009)
The short lies between the connector where the test light stays lit and the connector where the light goes out.
Find the exact location of the short by lightly shaking the problem wire along the body.
CAUTION: Do not open the cover or the case of the ECU unless absolutely necessary. (If the IC terminals are touched, the IC may be
destroyed by static electricity.)
When replacing the internal mechanism (ECU part) of the digital meter, be careful that no part of your body or clothing comes in contact with the
terminals of leads from the IC, etc. of the replacement part (spare part).
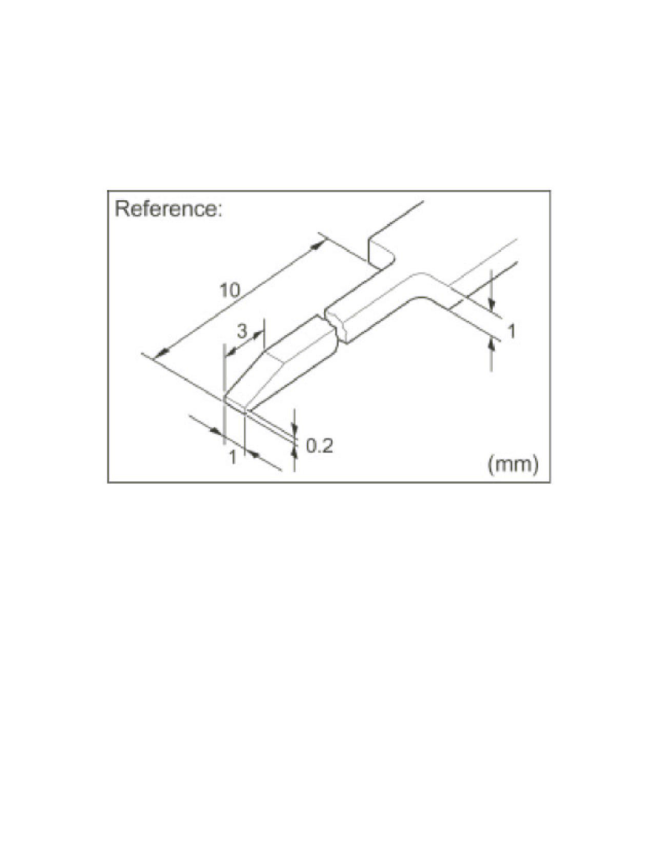
How to Replace Terminal
HOW TO REPLACE TERMINAL(with terminal retainer or secondary locking device)
PREPARE THE SPECIAL TOOL
HINT: To remove the terminal from the connector, please construct and use the special tool or like object shown on the left.
DISCONNECT CONNECTOR
