Lexus Workshop Service and Repair Manuals
HOME
FEATURES
MENU
INDEX
ABOUT US
Diagram Information and Instructions|Page 4868 >
< Diagram Information and Instructions|Page 4866
LS 600h V8-5.0L (2UR-FSE) Hybrid (2008)
Powertrain Management
Computers and Control Systems
Information Bus / Component Information
Diagrams / Diagram Information and Instructions
Page 4867
Page 146
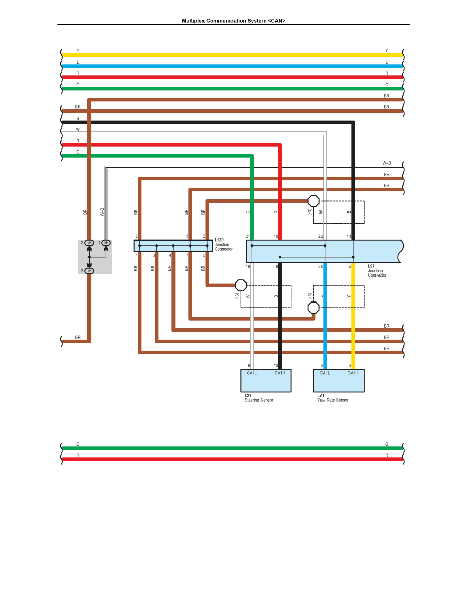
Multiplex Communication System <CAN> Part 15
Powertrain Management
Computers and Control Systems
Information Bus / Component Information
Diagrams / Diagram Information and Instructions
Page 4867
Diagram Information and Instructions|Page 4868 >
< Diagram Information and Instructions|Page 4866