lexus Workshop Repair Guides

Lexus Workshop Service and Repair Manuals

Evaporator Temperature Sensor / Switch|Locations|Page 9351 > < Components|Page 9347
Page 1
background image

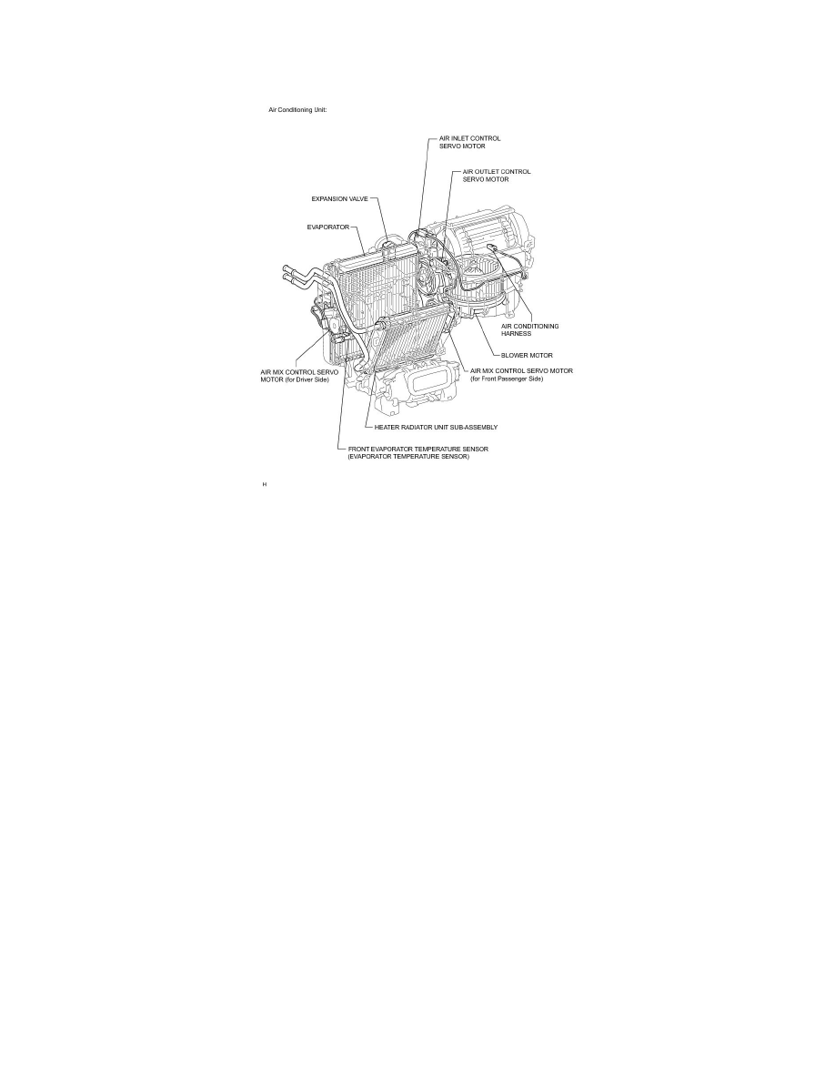
Evaporator Temperature Sensor / Switch: Locations

HEATING / AIR CONDITIONING: AIR CONDITIONING SYSTEM: PARTS LOCATION

Evaporator Temperature Sensor / Switch|Locations|Page 9351 > < Components|Page 9347