Lexus Workshop Service and Repair Manuals
HOME
FEATURES
MENU
INDEX
ABOUT US
Diagram Information and Instructions|Page 7418 >
< Diagram Information and Instructions|Page 7416
RX 400h AWD V6-3.3L (3MZ-FE) Hybrid (2007)
Accessories and Optional Equipment
Driver/Vehicle Information Display / Diagrams / Diagram Information and Instructions
Page 7417
Page 1
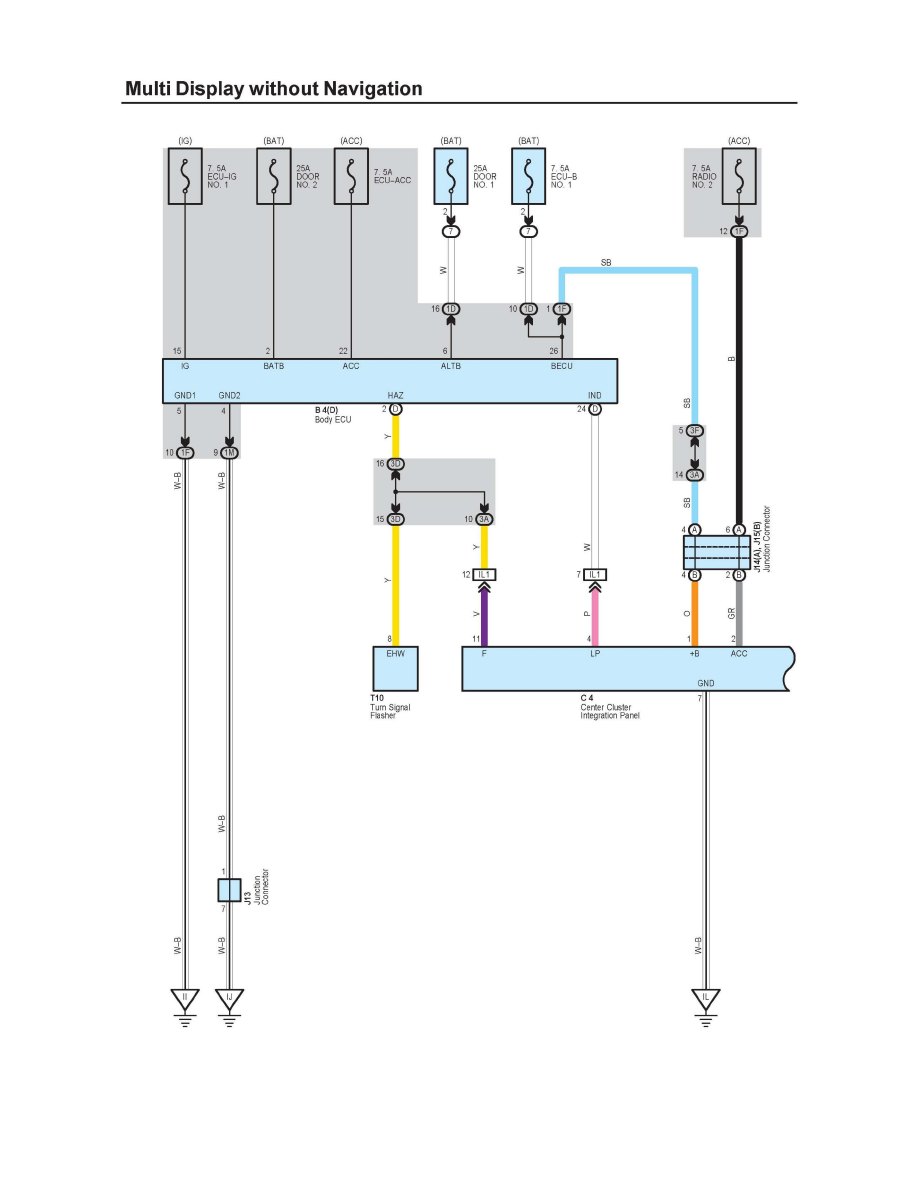
Driver/Vehicle Information Display: Electrical Diagrams
Multi Display Without Navigation Part 1
Accessories and Optional Equipment
Driver/Vehicle Information Display / Diagrams / Diagram Information and Instructions
Page 7417
Diagram Information and Instructions|Page 7418 >
< Diagram Information and Instructions|Page 7416