Mazda Workshop Service and Repair Manuals
HOME
FEATURES
MENU
INDEX
ABOUT US
Diagram Information and Instructions|Page 8344 >
< Diagram Information and Instructions|Page 8342
6 L4-2.5L (2010)
Body and Frame
Seats
Seat Heater / Diagrams / Diagram Information and Instructions
Page 8343
Page 7
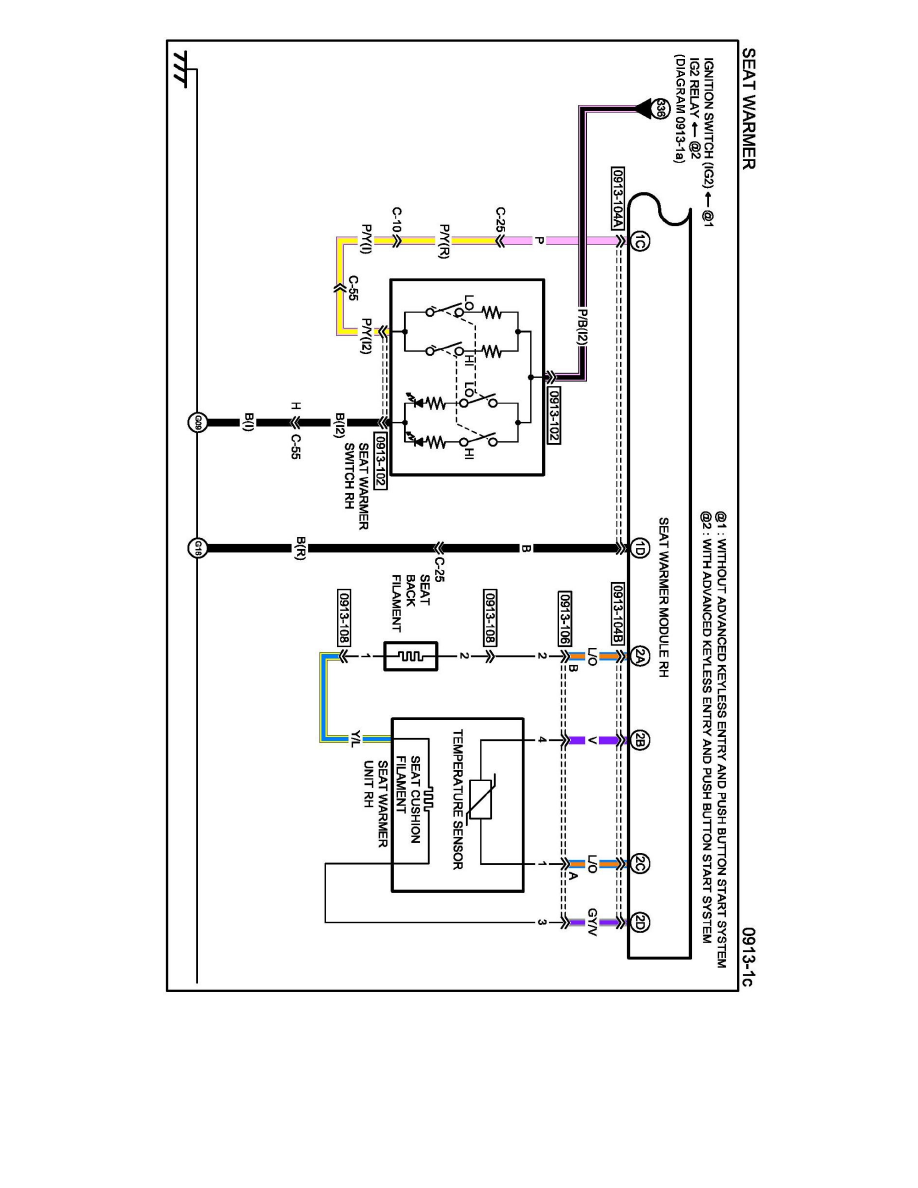
Diagram 0913-1c
Body and Frame
Seats
Seat Heater / Diagrams / Diagram Information and Instructions
Page 8343
Diagram Information and Instructions|Page 8344 >
< Diagram Information and Instructions|Page 8342