6 L4-2.5L (2010)
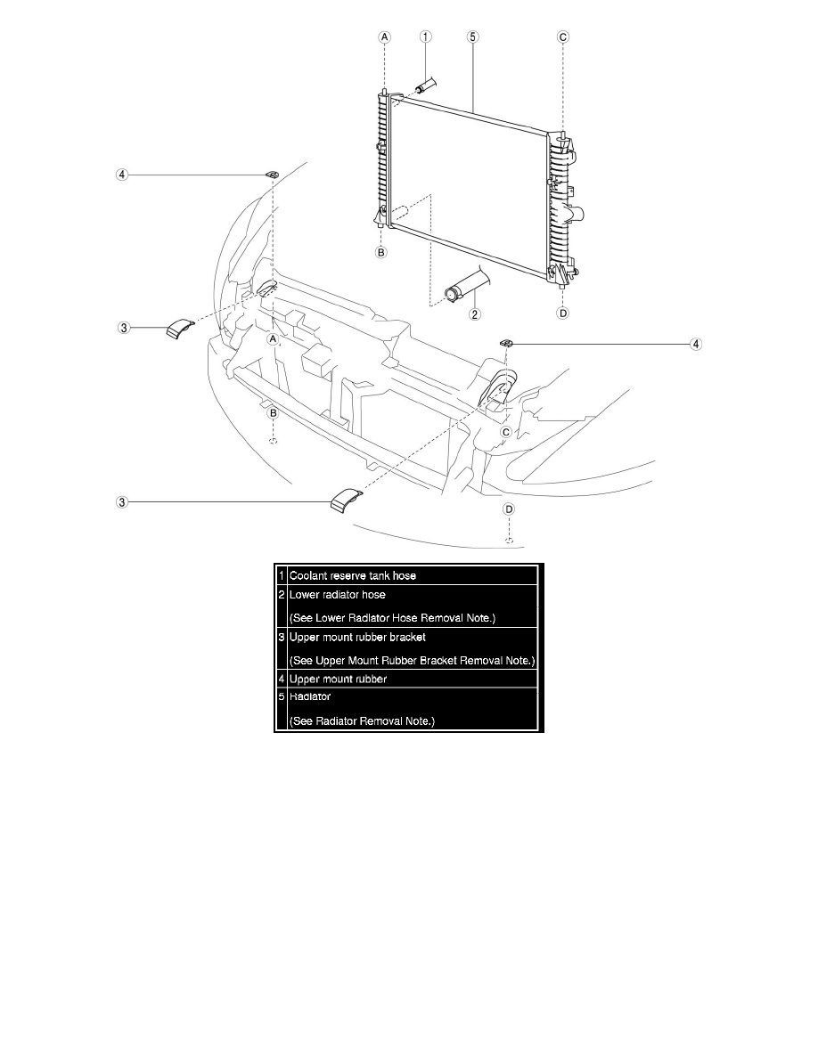
Lower Radiator Hose Removal Note
1. Set the front mudguard (RH) out of the way to disconnect the lower radiator hose. See: Body and Frame/Spoilers, Flaps, and Air Dams/Mud
Flap/Service and Repair
Radiator Removal Note
1. Release the left and right tabs on the upper side of the radiator by pressing them in the direction shown in the figure.
