6 L4-2.5L (2010)
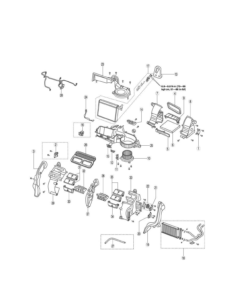
Evaporator Core: Overhaul
A/C UNIT DISASSEMBLY/ASSEMBLY
1. Disassemble in the order indicated in the table.
CAUTION:
-
If a non-specified grease is used, it may result in abnormal noise or improper operation of the links. Apply only the specified grease to each
link.
2. Assemble in the reverse order of disassembly.
