Mazda Workshop Service and Repair Manuals
HOME
FEATURES
MENU
INDEX
ABOUT US
Component Locations|Page 2811 >
< Component Locations|Page 2809
6 L4-2.5L (2010)
Powertrain Management
Computers and Control Systems
Relays and Modules - Computers and Control Systems / Body Control Module / Locations
Page 2810
Page 1
Body Control Module: Description and Operation
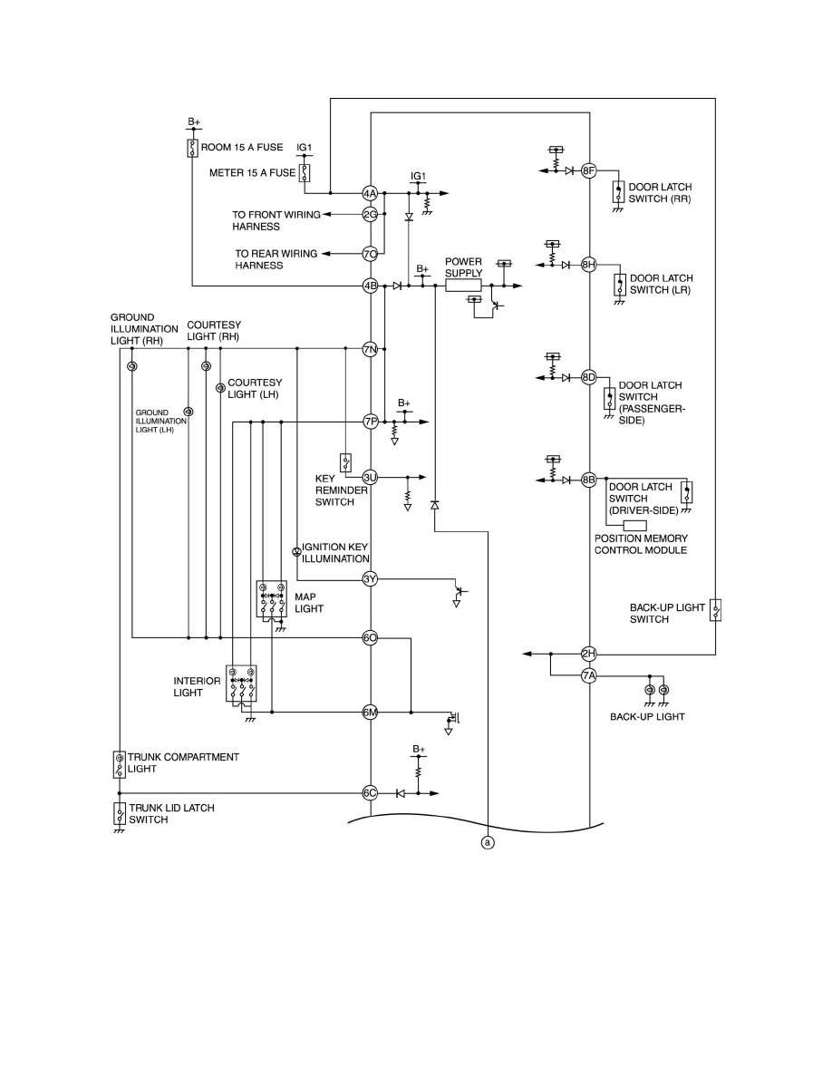
ON-BOARD DIAGNOSTIC WIRING DIAGRAM [BCM]
Powertrain Management
Computers and Control Systems
Relays and Modules - Computers and Control Systems / Body Control Module / Locations
Page 2810
Component Locations|Page 2811 >
< Component Locations|Page 2809