Mazda Workshop Service and Repair Manuals
HOME
FEATURES
MENU
INDEX
ABOUT US
Component Locations|Page 2813 >
< Component Locations|Page 2811
6 L4-2.5L (2010)
Powertrain Management
Computers and Control Systems
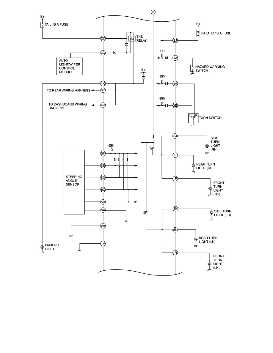
Relays and Modules - Computers and Control Systems / Body Control Module / Locations
Page 2812
Page 3
Powertrain Management
Computers and Control Systems
Relays and Modules - Computers and Control Systems / Body Control Module / Locations
Page 2812
Component Locations|Page 2813 >
< Component Locations|Page 2811