mazda Workshop Repair Guides

Mazda Workshop Service and Repair Manuals

Component Tests and General Diagnostics|Page 102 > < Component Locations|Page 99
Page 1
background image

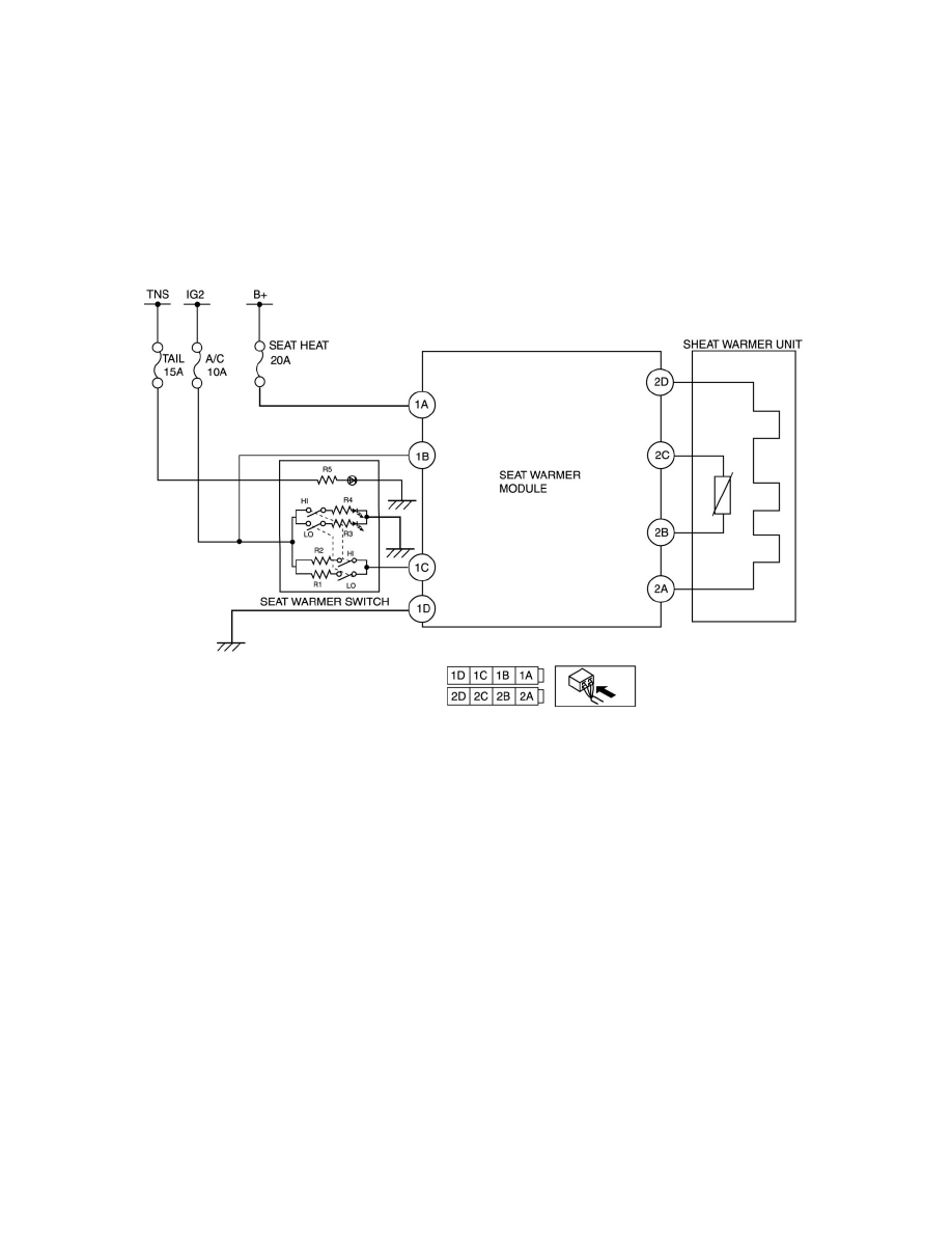
Seat Heater Control Module: Component Tests and General Diagnostics

SEAT WARMER MODULE INSPECTION

1. Measure the voltage at each terminal is as indicated in the Terminal Voltage Tables. 

-

If the voltage is not as specified in the Terminal Voltage Table (Reference), inspect the parts under " Inspection item (s)" and related wiring
harnesses.

2. If the system does not work properly even though the inspection items or related wiring harnesses do not have any malfunction, replace the seat

warmer module.

Terminal Voltage Table (Reference)

Component Tests and General Diagnostics|Page 102 > < Component Locations|Page 99