6 L4-2.5L (2010)
d. Decoration panel See: Body and Frame/Interior Moulding / Trim/Dashboard / Instrument Panel/Service and Repair/Removal and
Replacement/Decoration Panel Removal/Installation
e. Passenger-side front scuff plate See: Body and Frame/Interior Moulding / Trim/Scuff Plate/Service and Repair/Front Scuff Plate
Removal/Installation
f.
Passenger-side front side trim See: Body and Frame/Interior Moulding / Trim/Trim Panel/Service and Repair/Front Side Trim
Removal/Installation
g. Side panel See: Body and Frame/Interior Moulding / Trim/Trim Panel/Service and Repair/Side Panel Removal/Installation
h. Shift knob (MTX) See: Transmission and Drivetrain/Manual Transmission/Transaxle/Shifter M/T/Service and Repair
i.
Shift panel See: Body and Frame/Interior Moulding / Trim/Console/Service and Repair/Removal and Replacement/Shift Panel
Removal/Installation
j.
Center panel lower See: Body and Frame/Interior Moulding / Trim/Dashboard / Instrument Panel/Service and Repair/Removal and
Replacement/Center Panel Lower Removal/Installation
k. Audio unit See: Accessories and Optional Equipment/Radio, Stereo, and Compact Disc/Service and Repair/Audio Unit Removal/Installation
l.
SIRIUS satellite radio unit See: Accessories and Optional Equipment/Radio, Stereo, and Compact Disc/Radio/Stereo/Radio Tuner/Service
and Repair
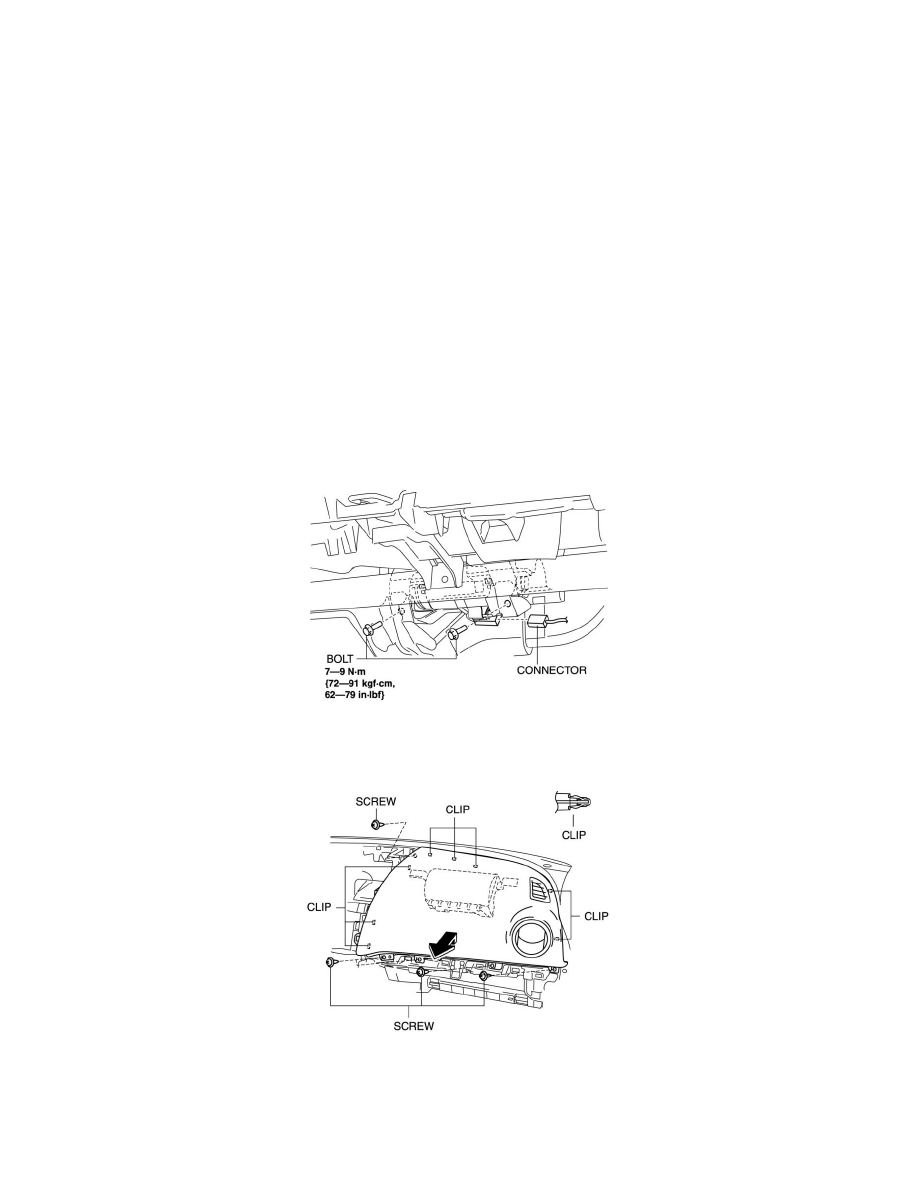
4. Remove the bolts.
5. Disconnect the connector.
6. Remove the screws.
7. Pull the passenger-side air bag module in the direction of the arrow shown in the figure and remove it while detaching the clips.
8. Remove the screws.
