6 L4-2.5L (2010)
Lateral Accelerometer: Service and Repair
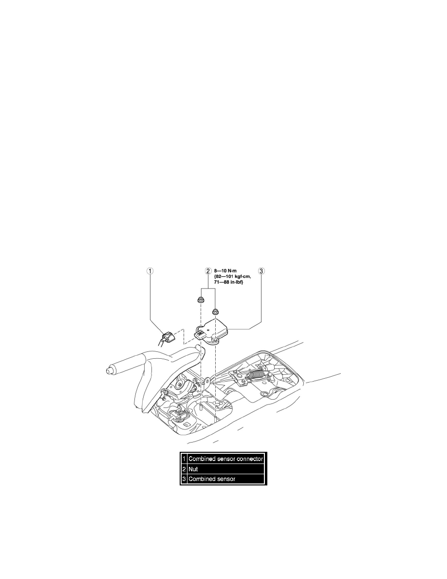
COMBINED SENSOR REMOVAL/INSTALLATION
CAUTION:
-
The internal parts of the combined sensor could be damaged if dropped. Be careful not to drop the combined sensor. Replace the combined sensor
if it is subjected to an impact. Also, do not use an impact wrench or other similar air tools when removing/installing the sensor.
1. Remove the following parts:
a. Upper panel See: Body and Frame/Interior Moulding / Trim/Console/Service and Repair/Removal and Replacement/Upper Panel
Removal/Installation
b. Shift knob (MTX) See: Transmission and Drivetrain/Manual Transmission/Transaxle/Shifter M/T/Service and Repair
c. Shift panel See: Body and Frame/Interior Moulding / Trim/Console/Service and Repair/Removal and Replacement/Shift Panel
Removal/Installation
d. Decoration panel (See See: Body and Frame/Interior Moulding / Trim/Dashboard / Instrument Panel/Service and Repair/Removal and
Replacement/Decoration Panel Removal/Installation.)
e. Center panel lower See: Body and Frame/Interior Moulding / Trim/Dashboard / Instrument Panel/Service and Repair/Removal and
Replacement/Center Panel Lower Removal/Installation
f.
Rear console See: Body and Frame/Interior Moulding / Trim/Console/Service and Repair/Removal and Replacement/Rear Console
Removal/Installation
2. Remove in the order indicated in the table.
3. Install in the reverse order of removal.
