6 L4-2.5L (2010)
Starter Motor: Removal and Replacement
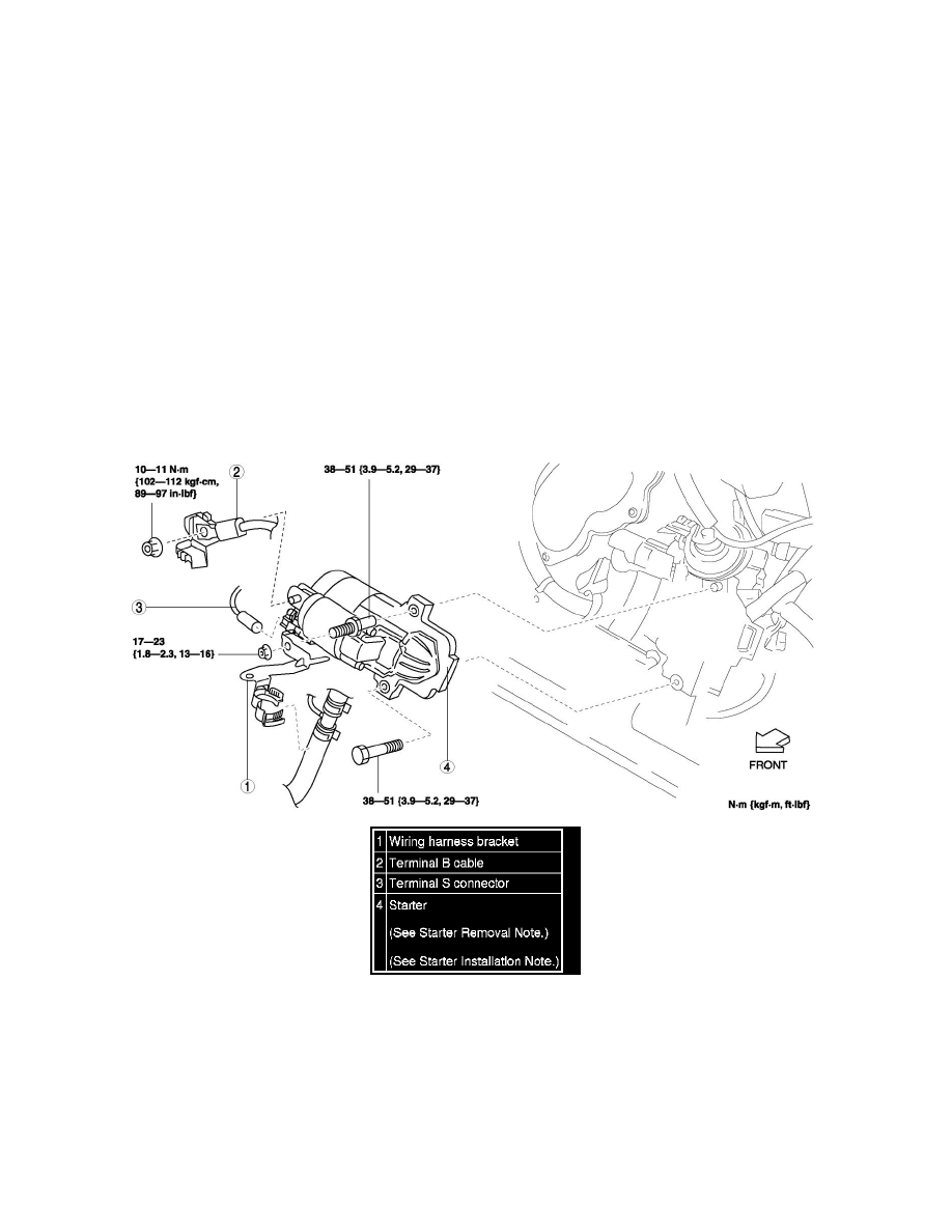
STARTER REMOVAL/INSTALLATION [L5]
WARNING:
-
Remove and install all parts when the engine is cold, otherwise they can cause severe burns or serious injury.
-
When the battery cables are connected, touching the vehicle body with starter terminal B will generate sparks. This can cause personal injury, fire,
and damage to the electrical components. Always disconnect the negative battery cable before performing the following operation.
1. Disconnect the negative battery cable.
2. Remove the plug hole plate. See: Engine, Cooling and Exhaust/Engine/Service and Repair/Removal and Replacement/Plug Hole Plate
Removal/Installation
3. Remove the air cleaner, air hose and fresh air duct component. See: Engine, Cooling and Exhaust/Engine/Intake Manifold/Service and Repair
4. Remove the manifold absolute pressure (MAP) sensor. See: Powertrain Management/Computers and Control Systems/Manifold Pressure/Vacuum
Sensor/Service and Repair
5. Remove in the order indicated in the table.
6. Install in the reverse order of removal.
Starter Removal Note
1. Remove the starter from above the engine compartment.
Starter Installation Note
NOTE:
-
If the insulator is peeling or damaged, attach a new insulator using the following procedure:
