6 L4-2.5L (2010)
Key Reminder Switch: Service and Repair
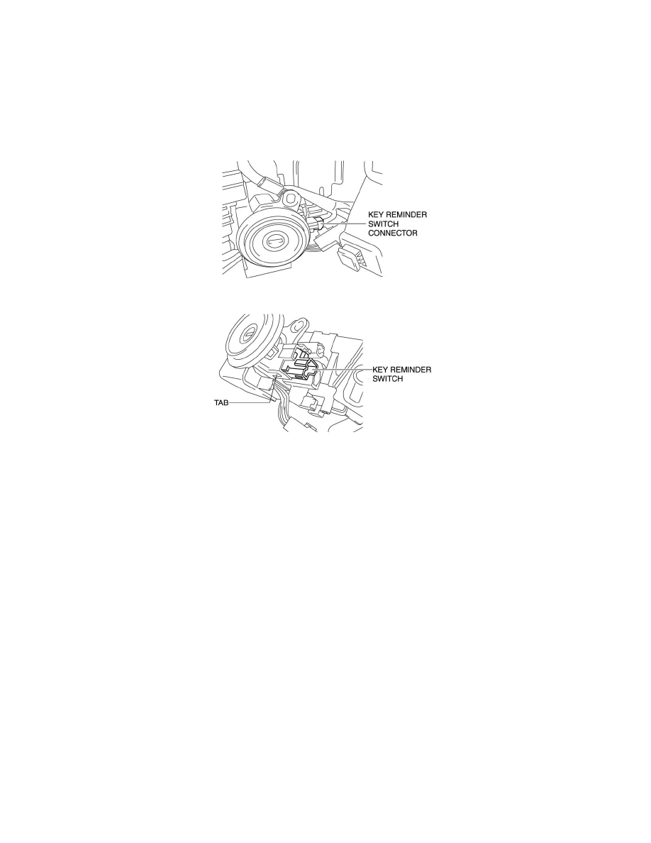
KEY REMINDER SWITCH REMOVAL/INSTALLATION [WITHOUT ADVANCED KEYLESS ENTRY AND PUSH BUTTON START
SYSTEM]
1. Disconnect the negative battery cable.
2. Remove the column cover. See: Steering Column Cover/Service and Repair
3. Disconnect the key reminder switch connector.
4. Detach the key reminder switch tab.
5. Remove the key reminder switch.
6. Install in the reverse order of removal.
