6 L4-2.5L (2010)
SOLENOID VALVE REMOVAL/INSTALLATION [FS5A-EL]
WARNING:
-
A hot transaxle and ATF can cause severe burns. Turn off the engine and wait until they are cool.
-
Using compressed air can cause dirt and other particles to fly out, causing injury to the eyes. Wear protective eyeglasses whenever using
compressed air
CAUTION:
-
Water or foreign objects entering the connector can cause a poor connection or corrosion. Be sure not to drop water or foreign objects on the
connector when disconnecting it.
Primary Control Valve Body
1. Remove the primary control valve body.
a. Disconnect the negative battery cable.
b. Remove the aerodynamic under cover NO.2. See: Body and Frame/Splash Guard/Service and Repair/Aerodynamic Under Cover No.2
Removal/Installation
c. Remove the front crossmember. See: Body and Frame/Frame/Cross-Member/Front Cross-Member/Service and Repair/Front Crossmember
Removal/Installation
d. Clean the transaxle exterior throughout with a steam cleaner or cleaning solvents.
e. Drain the ATF into a separate suitable container. See: Service and Repair/Procedures/Automatic Transaxle Fluid (ATF) Replacement -
FS5A-EL
f.
Remove the oil pan.
g. Remove the primary control valve body. See: Control Valve Body Removal/Installation - FS5A-EL
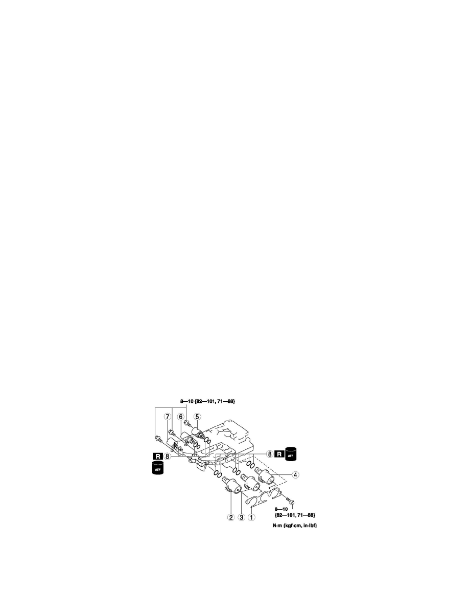
2. Remove in the order indicated in the table.
3. Install in the reverse order of removal.
4. Add the ATF. See: Service and Repair/Procedures/Automatic Transaxle Fluid (ATF) Replacement - FS5A-EL
5. Perform the "Mechanical System Test". See: Transmission Control Systems/Testing and Inspection/Initial Inspection and Diagnostic
Overview/Mechanical System Test - FS5A-EL
6. Perform the "Road Test". See: Transmission Control Systems/Testing and Inspection/Initial Inspection and Diagnostic Overview/Road Test -
FS5A-EL
