mazda Workshop Repair Guides

Mazda Workshop Service and Repair Manuals

Automatic Transaxle Location Index - AW6A-EL|Page 4687 > < Automatic Transaxle Location Index - AW6A-EL|Page 4685
Page 1
background image

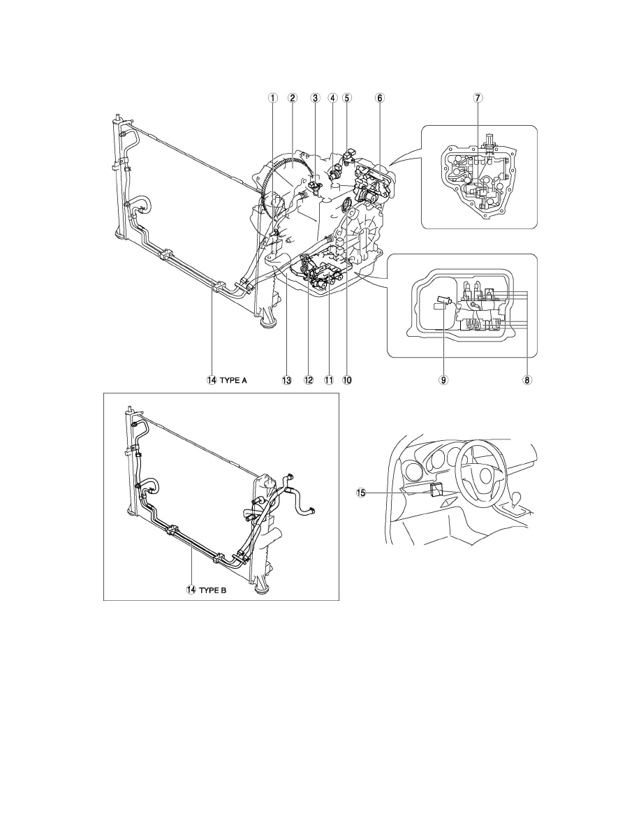
Transmission Temperature Sensor/Switch: Locations
Automatic Transaxle Location Index - FS5A-EL

AUTOMATIC TRANSAXLE LOCATION INDEX [FS5A-EL]

Automatic Transaxle Location Index - AW6A-EL|Page 4687 > < Automatic Transaxle Location Index - AW6A-EL|Page 4685