mazda Workshop Repair Guides

Mazda Workshop Service and Repair Manuals

HVAC Control System Location Index|Page 5270 > < Magnetic Clutch Disassembly/Assembly - Full-Auto Air Conditioner|Page 5265
Page 1
background image

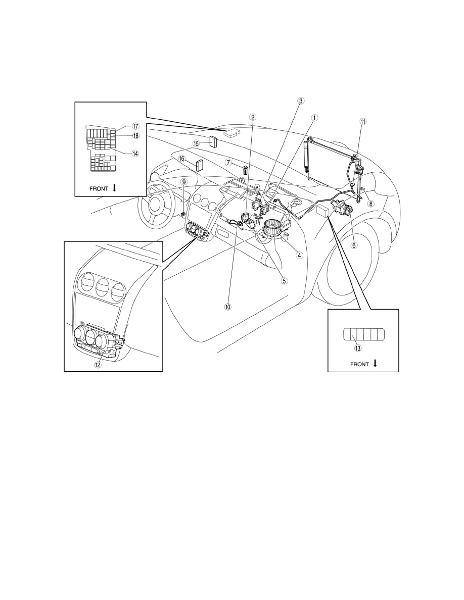
Compressor Clutch Relay: Locations
HVAC Control System Location Index

Full-Auto Air Conditioner

HVAC CONTROL SYSTEM LOCATION INDEX [FULL-AUTO AIR CONDITIONER]

HVAC Control System Location Index|Page 5270 > < Magnetic Clutch Disassembly/Assembly - Full-Auto Air Conditioner|Page 5265