mazda Workshop Repair Guides

Mazda Workshop Service and Repair Manuals

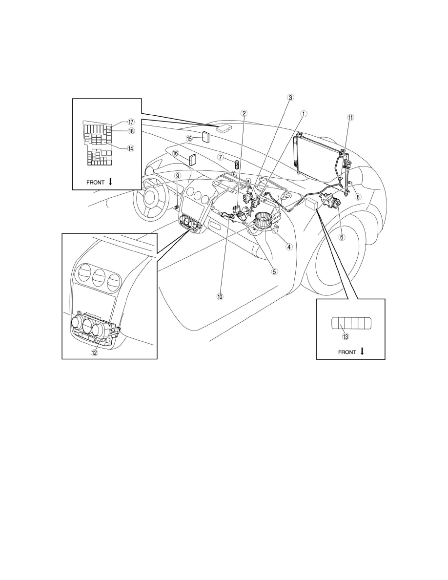
HVAC Control System Location Index|Page 5416 > < Refrigerant Pressure Sensor Removal/Installation - Full-Auto Air Conditioner|Page 5410
Page 1
background image

Blower Motor Relay: Locations
HVAC Control System Location Index

Full-Auto Air Conditioner

HVAC CONTROL SYSTEM LOCATION INDEX [FULL-AUTO AIR CONDITIONER]

HVAC Control System Location Index|Page 5416 > < Refrigerant Pressure Sensor Removal/Installation - Full-Auto Air Conditioner|Page 5410