Mazdaspeed3 L4-2.3L Turbo (2010)
Amplifier: Service and Repair
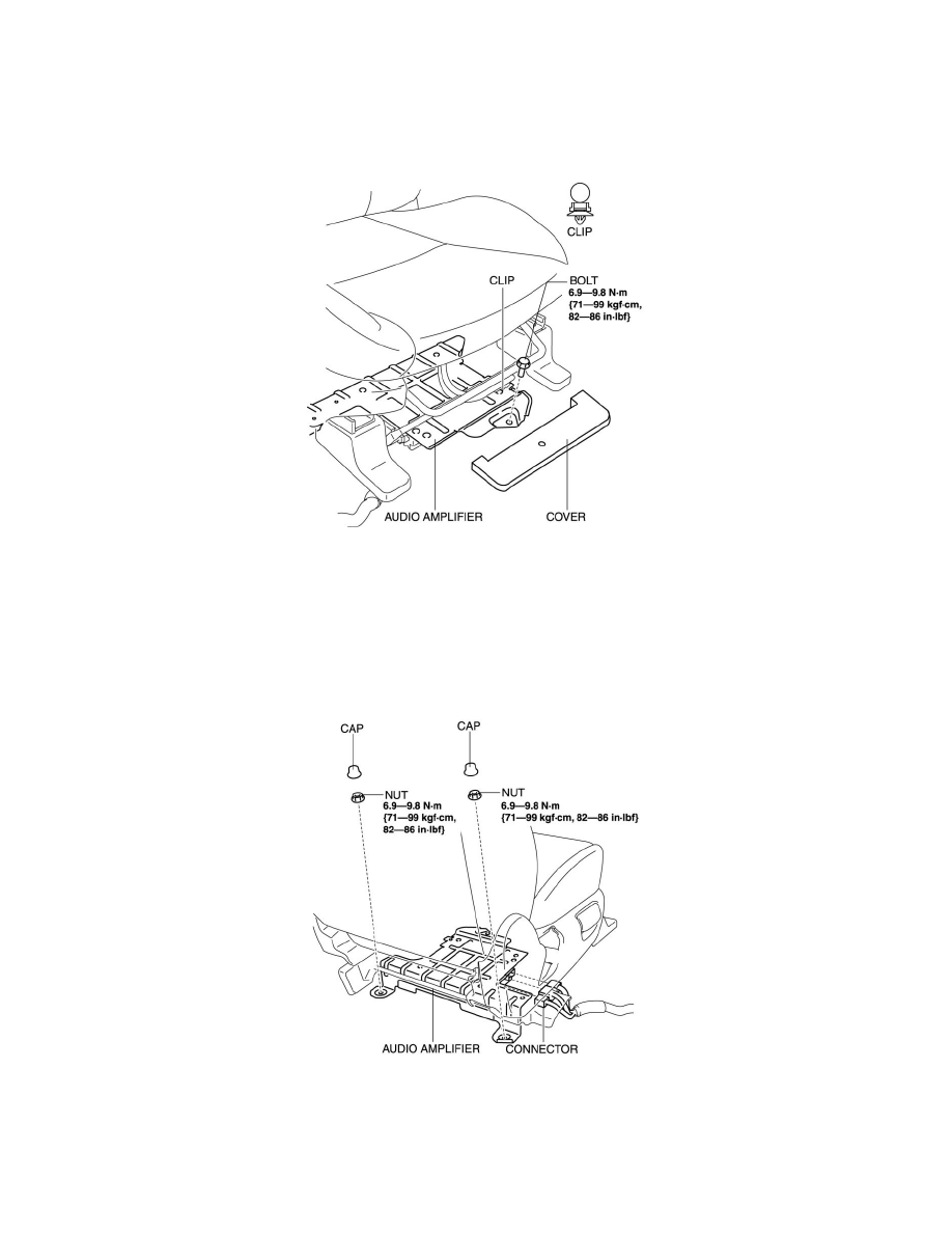
AUDIO AMPLIFIER REMOVAL/INSTALLATION
1. Slide the passenger seat rearward.
2. Remove the cover.
3. Remove the bolt.
4. Detach the clips and set the vehicle wiring harness aside.
5. Slide the passenger seat forward.
6. Disconnect the negative battery cable.
7. Remove the cap.
8. Remove the nut.
9. Disconnect the connector.
10. Remove the audio amplifier.
