Mazda Workshop Service and Repair Manuals
HOME
FEATURES
MENU
INDEX
ABOUT US
Component Locations|Page 328 >
< Tire Pressure Module|Locations|Page 321
Mazdaspeed3 L4-2.3L Turbo (2010)
Relays and Modules
Relays and Modules - Transmission and Drivetrain
Relays and Modules - A/T
Control Module, A/T
Component Information
Locations
Component Locations
Page 1
Control Module: Component Locations
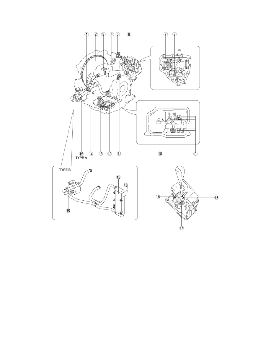
AUTOMATIC TRANSAXLE LOCATION INDEX [FS5A-EL]
Relays and Modules
Relays and Modules - Transmission and Drivetrain
Relays and Modules - A/T
Control Module, A/T
Component Information
Locations
Component Locations
Component Locations|Page 328 >
< Tire Pressure Module|Locations|Page 321