Mini Workshop Service and Repair Manuals
HOME
FEATURES
MENU
INDEX
ABOUT US
Diagram Information and Instructions|Page 2383 >
< Diagram Information and Instructions|Page 2381
Cooper JCW Clubman (R55) L4-1.6L Turbo (N14) (2009)
Maintenance
Fuses and Circuit Breakers / Fuse / Component Information
Diagrams / Diagram Information and Instructions
Page 2382
Page 122
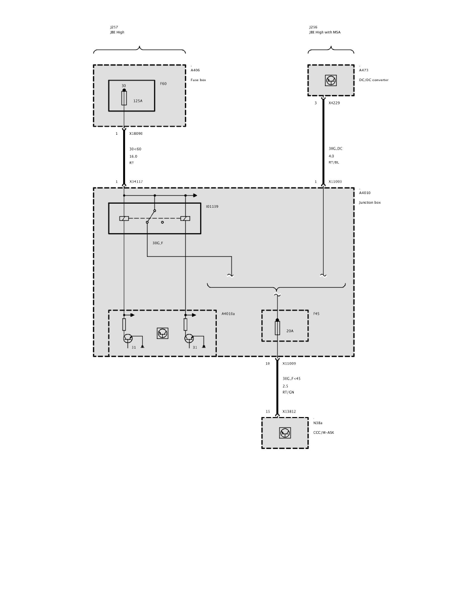
Fuse F46 (Up to 12/08)
Fuse F46 (Up to 12/08)
Maintenance
Fuses and Circuit Breakers / Fuse / Component Information
Diagrams / Diagram Information and Instructions
Page 2382
Diagram Information and Instructions|Page 2383 >
< Diagram Information and Instructions|Page 2381