Mini Workshop Service and Repair Manuals
HOME
FEATURES
MENU
INDEX
ABOUT US
Diagram Information and Instructions|Page 2384 >
< Diagram Information and Instructions|Page 2382
Cooper JCW Clubman (R55) L4-1.6L Turbo (N14) (2009)
Maintenance
Fuses and Circuit Breakers / Fuse / Component Information
Diagrams / Diagram Information and Instructions
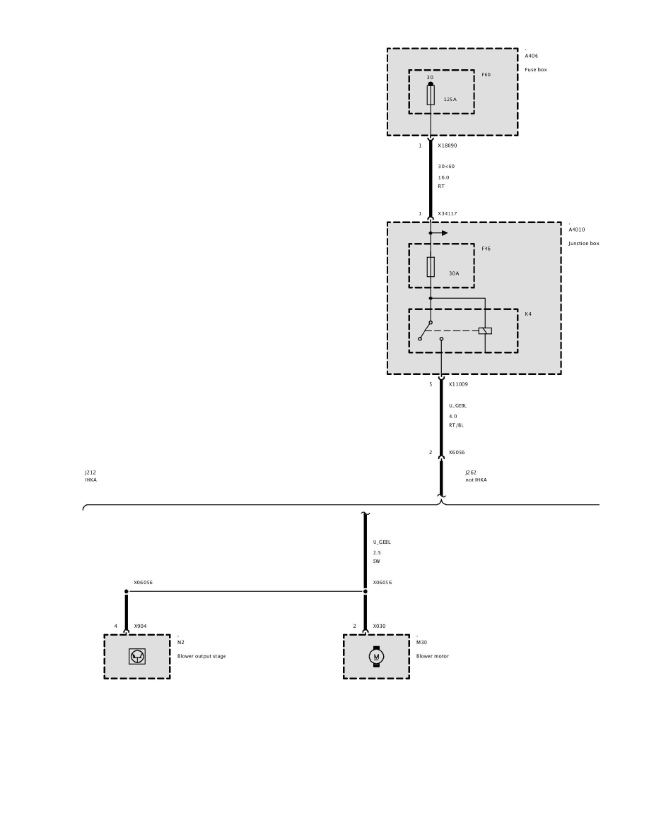
Page 2383
Page 123
Part 1
Maintenance
Fuses and Circuit Breakers / Fuse / Component Information
Diagrams / Diagram Information and Instructions
Page 2383
Diagram Information and Instructions|Page 2384 >
< Diagram Information and Instructions|Page 2382