Mitsubishi Workshop Service and Repair Manuals
HOME
FEATURES
MENU
INDEX
ABOUT US
Diagram Information and Instructions|Page 5487 >
< Diagram Information and Instructions|Page 5485
Eclipse Spyder GS-T FWD L4-1997cc 2.0L DOHC Turbo MFI (1997)
Lighting and Horns
Turn Signals / Turn Signal Lamp / Diagrams / Diagram Information and Instructions
Page 5486
Page 3
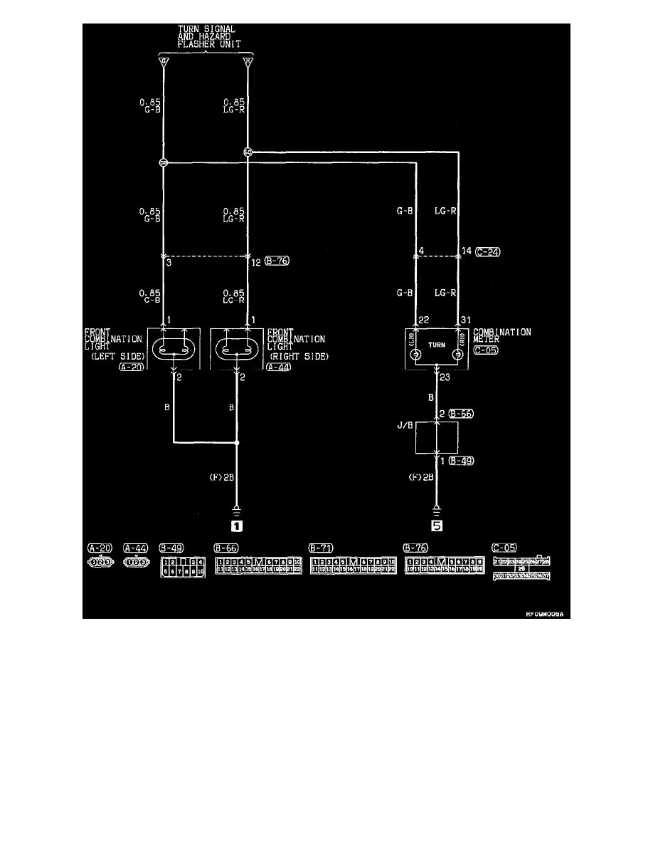
Turn Signal And Hazard Warning Light Circuit (Part 3 Of 4)
Lighting and Horns
Turn Signals / Turn Signal Lamp / Diagrams / Diagram Information and Instructions
Page 5486
Diagram Information and Instructions|Page 5487 >
< Diagram Information and Instructions|Page 5485