Leon Mk1
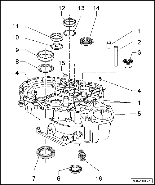
| Clutch housing - assembly overview |

| 1 - | Bearing sleeve for the control rods |
| q | Remove → Fig. |
| q | Insertion → Fig. |
| 2 - | Reverse gear prong shaft |
| q | This cannot be removed using the workshop tools |
| q | Press into the clutch housing → Fig. |
| 3 - | Point crown for the inverter shaft |
| q | Replace after removing |
| q | Remove → Fig. |
| q | Insertion → Fig. |
| 4 - | Dowel sleeves |
| q | 2 Units |
| 5 - | clutch housing |
| q | If replaced, the secondary shaft → Chapter → Chapterand differential drive must be adjusted → Chapter |
| 6 - | Input shaft oil seal: |
| q | Renew → Chapter |
| 7 - | Insert shaft oil seal |
| q | Renew |
| 8 - | Washer |
| q | For differential |
| q | Installation position: the interior diameter rebate should point towards the seal → Item |
| 9 - | Outer ring of roller bearing |
| q | For differential |
| q | Remove → Fig. |
| q | Insertion → Fig. |
| q | If replaced the differential drive must be adjusted → Chapter |
| 10 - | Oil relay washer |
| q | Installation position: the rebate of the hole should face towards the secondary shaft |
| 11 - | Outer ring of roller bearing |
| q | For 1st to 4th gear output shaft |
| q | Remove → Fig. |
| q | Insertion → Fig. |
| q | When replacing, the input shaft for 1st to 4th gear must be adjusted → Chapter |
| 12 - | Outer ring of roller bearing |
| q | For secondary shaft for 5th / 6th and reverse gear |
| q | Remove → Fig. |
| q | Insertion → Fig. |
| q | When replacing, the input shaft for 5th / 6th and reverse gear must be adjusted → Chapter |
| 13 - | Washer |
| q | For secondary shaft for 5th / 6th and reverse gear |
| q | 0.65 mm thick |
| 14 - | Cylindrical roller bearing |
| q | For input shaft |
| q | Remove → Fig. |
| q | Insertion → Fig. |
| 15 - | Magnet |
| q | Supported by the separation surface of the housing |
| 16 - | Cap |
