Leon Mk1
| Repairing clutch housing, from gearbox date 13 01 3 |

| Special tools and workshop equipment required |
| t | Press tool -VW 407- |
| t | Sleeve -30-21- |
| t | Drift -T10168- |
| t | Thrust piece -T40008- |
| t | Thrust piece -VW 431- |
| t | Thrust piece -VW 432- |
| t | Internal puller -1 - Kukko 21/2- |
| t | Internal puller -1 - Kukko 21/4- |
| t | Counter support -4 - Kukko 22/2- |
|
|
|
|
|
|

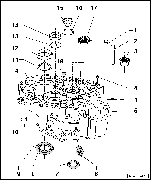
| 1 - | Bearing bush |
| q | For selector rods |
| q | Renew each time after removing |
| q | Pulling out → Fig. |
| q | Driving in → Fig. |
| 2 - | Reverse gear selector fork axle |
| q | Axle cannot be removed with workshop tools |
| q | If a new clutch housing is used, a new axle must be pressed in → Fig. |
| 3 - | Needle bearing |
| q | For reverse shaft |
| q | Renew each time after removing |
| q | Pulling out → Fig. |
| q | Pressing in → Fig. |
| 4 - | Dowel sleeve |
| q | Qty. 2 |
| 5 - | Clutch housing |
| q | When replacing: → Chapter, Adjustment overview |
| 6 - | Cap |
| q | Not fitted in all clutch housings |
| 7 - | Input shaft seal |
| q | Removing → Fig. |
| q | Installing → Fig. |
| 8 - | Seal |
| q | For right flange shaft |
| q | Renewing with gearbox installed → Chapter |
| 9 - | Small sealing cover |
| q | If it leaks, drive in 20 mm deeper (gearbox installed) → Fig. |
| q | Installing → Fig. |
| 10 - | Large sealing cover |
| q | Removing → Fig. |
| q | Installing → Fig. |
| 11 - | Washer |
| q | For differential |
| q | Installation position: shoulder on inner circumference faces seal → Item |
| 12 - | Tapered roller bearing outer race |
| q | For differential |
| q | Removing and installing → Chapter |
| q | If renewed, adjust differential → Chapter |
| 13 - | Oil deflector ring |
| q | Installation position: shoulder on hole faces output shaft |
| 14 - | Tapered roller bearing outer race |
| q | For output shaft for 1st through 4th gears |
| q | Removing and installing → Fig. |
| q | If renewed, adjust output shaft for 1st through 4th gears → Chapter |
| 15 - | Tapered roller bearing outer race |
| q | For output shaft for 5th, 6th and reverse gears |
| q | Removing and installing → Fig. |
| q | If renewed, adjust output shaft for 5th, 6th and reverse gears → Chapter |
| 16 - | Washer |
| q | For output shaft |
| q | Always 0.65 mm thick |
| 17 - | Cylindrical roller bearing |
| q | For input shaft |
| q | Removing and installing → Fig. |
| 18 - | Magnet |
| q | Held in place by housing joint surface |
|
|
|
|
|
|
|
|
|
|
|
|
|
|
|
|
|
|
|
|

Note