Leon Mk1
| Repairing gearbox housing, from gearbox date 13 01 3 |

| Special tools and workshop equipment required |
| t | Drift sleeve -VW 244B- |
| t | Gearbox support -VW 353- |
| t | Thrust plate -VW 401- |
| t | Thrust plate -VW 402- |
| t | Press tool -VW 407- |
| t | Tube -VW 416 B- |

| t | Guide pin -VW 436 A- |
| t | Guide pin -VW 439- |
| t | Multipurpose tool -VW 771- |
| t | Support plate -VW 801- |
| t | Guide pin -10-15- |
| t | Thrust piece -3124- |

| t | Drift -3264- |
| t | Assembly tool -3290- |
| t | Torque wrench -V.A.G 1331- |
| t | Drift -T10168- |
| t | Thrust piece -T10203- |
| t | Drift -T10169- |
| t | or drift -T10362- → Fig. |
|
|
|
|

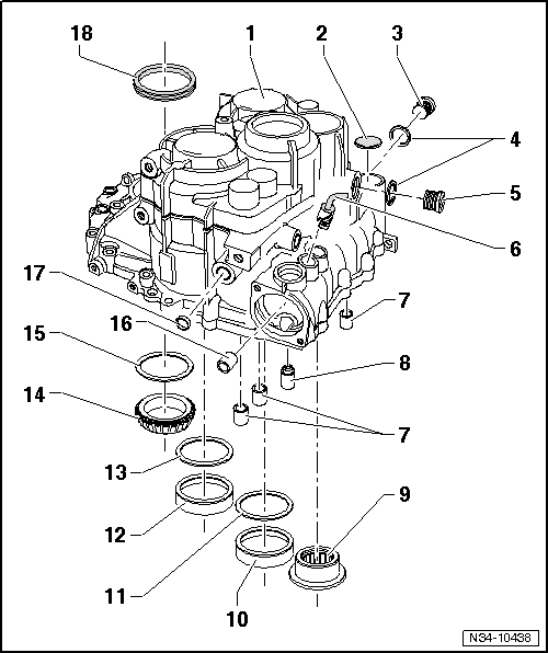
| 1 - | Gearbox housing |
| q | If renewed: adjust output shafts and differential → Chapter |
| q | Changes in area of support for deep groove ball bearing for input shaft → Item. |
| q | Allocation of components → Electronic parts catalogue (ETKA) |
| 2 - | Sealing cover |
| q | Removing → Fig. |
| q | Driving in → Fig. |
| 3 - | Oil drain plug |
| q | Torque setting → Fig. |
| 4 - | Seal |
| q | Always renew, if part of original equipment |
| 5 - | Oil filler plug |
| q | Torque setting → Fig. |
| 6 - | Angled rod |
| q | For adjusting selector mechanism → Chapter |
| q | Can be renewed with gearbox assembled |
| q | Removing → Fig. |
| q | Installation position → Fig. |
| q | Driving in → Fig. |
| 7 - | Bearing bush |
| q | For selector rods |
| q | Pulling out → Fig. |
| q | Driving in → Fig. |
| 8 - | Stop sleeve |
| q | Pressing out with gearbox dismantled → Fig. |
| q | Pressing out with gearbox assembled → Fig. |
| q | Stop sleeve identification → Fig. |
| q | Drive in stop sleeve with shoulder → Fig. |
| q | Drive in stop sleeve without shoulder → Fig. |
| 9 - | Needle bearing |
| q | For reverse shaft |
| q | Renew each time after removing |
| q | Pulling out → Fig. |
| q | Pressing in → Fig. |
| 10 - | Tapered roller bearing outer race |
| q | For output shaft for 5th, 6th and reverse gears |
| q | Removing and installing → Fig. |
| q | If renewed, adjust output shaft for 5th, 6th and reverse gears → Chapter |
| 11 - | Shim |
| q | For output shaft for 5th, 6th and reverse gears |
| q | Adjustment overview → Chapter |
| 12 - | Tapered roller bearing outer race |
| q | For output shaft for 1st through 4th gears |
| q | Removing and installing → Chapter |
| q | If renewed, adjust output shaft for 1st through 4th gears → Chapter |
| 13 - | Shim |
| q | For output shaft for 1st through 4th gears |
| q | Adjustment overview → Chapter |
| 14 - | Tapered roller bearing inner race |
| q | For differential |
| q | Removing and installing → Chapter |
| q | If renewed, adjust differential → Chapter |
| 15 - | Shim |
| q | For differential |
| q | Adjustment overview → Chapter |
| 16 - | Bearing bush |
| q | For selector shaft |
| q | Pulling out → Fig. |
| q | Driving in → Fig. |
| 17 - | Plug |
| q | Driving out → Fig. |
| q | Driving in → Fig. |
| 18 - | Seal |
| q | Renewing → Chapter |
|
|
|
|
|
|
|
|
Note
|
|
|
|
|
|
|
|
|
|
|
|
|
|
|
|
|
|
|
|
|
|
|
|
|
|

Note