Leon Mk1
Note
|
|
|
|
|
|
|

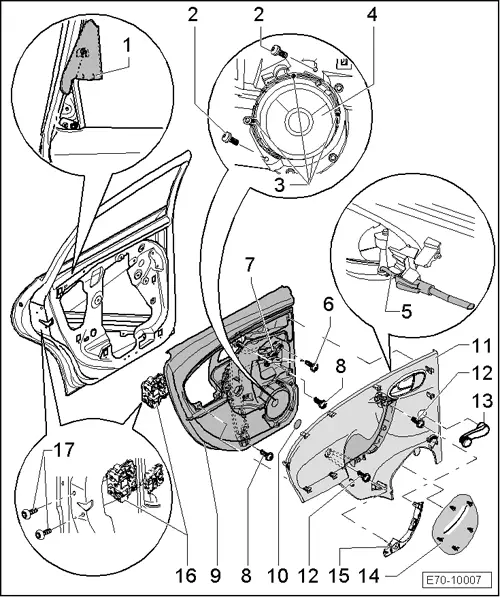
| – | Remove interior trim -1- using the lever -U 30800-. |
| – | Detach loudspeaker grille -14-using lever -U 30800-. |
| – | Detach lining cover in the door -15- using the lever -U 30800-. |
| – | Window handle -13- → Fig.. |
| – | Unscrew the screws -12- (2x). |
| – | Detach the upholstery of the trim -11- using removal pliers -T20065-, starting with the upper part. |
| – | Disengage the operating cable -5- from the trim cover -11 - → Fig.. |
| – | Unscrew the screws -3- (4x) of the loudspeaker -4-. |
| – | Remove the loudspeaker -4-and disconnect the connector. |
| – | Remove the cover -10-, by levering. |
| – | Lower door window until bolts and expansion plugs of the window riser cavity are accessed, and remove these using the tappet -T20087-. |
| – | Remove window glass → Body, exterior assembly work ; Rep. gr.64. |
| – | Loosen the screws -6- (3x) and remove mechanical unit -7-. |
| – | Unscrew the screws -8- (2x). |
| – | Unscrew the screws -2- (2x). |
| – | Unscrew the screws -17- (2x). |
| – | Remove exterior door lining assembly → Fig. |
| – | Remove window frame → Fig. |
| – | Remove front trim of the rear door -9- by raising it and extracting it towards the door hinge side. |
| – | Turn the rear panel lining over and disconnect the door lock connector. |
| – | Remove the window riser unit from the rear panel lining. |
| – | Finally, unhook the clips of the electrical cables in the rear part of the rear door panel lining. |
|
|
|
|
|
|
|
|

WARNING
Note