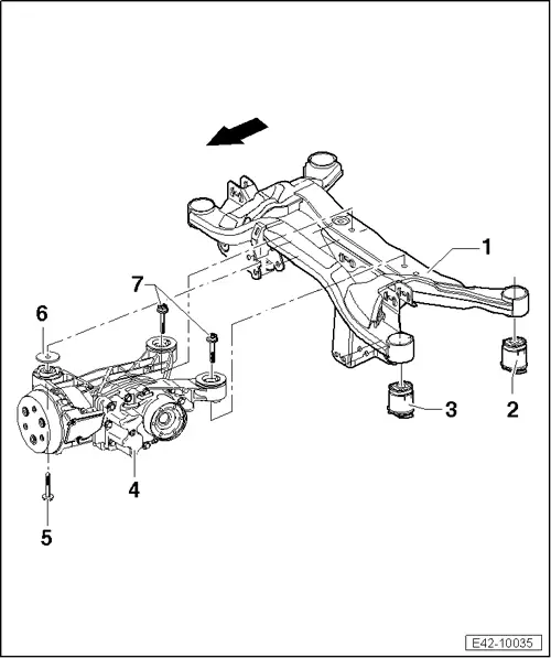
Leon Mk1
|
| -Arrow- indicates direction of travel. |

| 1 - | Sub-frame |
| 2 - | Rear bonded rubber bush |
| q | replace → Chapter |
| 3 - | Front bonded rubber bush |
| q | replace → Chapter |
| 4 - | Final group |
| q | remove and install → Rep. gr.39 |
| 5 - | Bolt. |
| q | M12 x 1.5 x 85 |
| q | 60 Nm and then turn 90° further |
| 6 - | Washer |
| 7 - | Bolt. |
| q | M12 x 1.5 x 85 |
| q | 60 Nm and then turn 90° further |
