Leon Mk1
Note
Note
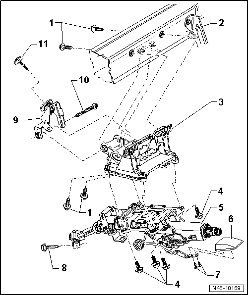
|

| 1 - | Hexagonal bolt |
| q | 20 Nm |
| 2 - | Cross member for steering column |
| 3 - | Mounting bracket |
| q | removing and installing → Chapter |
| 4 - | Hexagonal bolt |
| q | 20 Nm |
| q | Replace after each removal |
| 5 - | Steering column |
| q | removing and installing → Chapter |
| 6 - | Handle |
| 7 - | Bolt. |
| q | 3 Nm |
| 8 - | Hexagonal bolt |
| q | 20 Nm + 90º |
| 9 - | Strut |
| q | removing and installing → Chapter |
| 10 - | Hexagonal bolt |
| q | 20 Nm |
| 11 - | Hexagonal bolt |
| q | 20 Nm |

Note