Leon Mk2
|

| 1 - | Brake fluid deposit |
| 2 - | Spring-type hose clip |
| q | Not fitted in all vehicles |
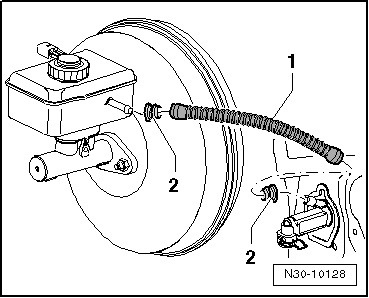
| 3 - | Circulation hose |
| q | Different versions: made from rubber and from plastic |
| 4 - | Master cylinder |
| q | removing and fitting → Chapter |
| 5 - | Clip |
| q | To remove and install pipe/hose assembly, pull out clip as far as it will go |
| q | Pulled out to side on some master cylinders |
| 6 - | Retaining clip |
| q | For clutch master cylinder control rod |
| q | Remove → Fig. |
| q | Installing → Fig. |
| 7 - | Clutch pedal |
| q | removing and fitting → Chapter |
| 8 - | Conical hexagon bolt |
| 9 - | Seal / O-ring |
| q | Pull onto line connection |
| q | Lubricate with brake fluid before installing |
| q | Seals/O-rings are adapted to configuration of line connection → Fig. |
| q | replace → Fig. |
| q | Allocation → Electronic parts catalogue „(ETKA)“ |
| 10 - | Pipe and hose assembly |
| q | With frequency modulator |
| q | Removing and installing → Chapter>>>>>>>> |
| q | Allocation → Electronic parts catalogue „(ETKA)“ |
| 11 - | Spring retainer |
| q | Fixed onto the bodywork |
| 12 - | Seal / O-ring |
| q | Pull onto line connection |
| q | Lubricate with brake fluid before installing |
| q | Seals/O-rings are adapted to configuration of line connection → Fig. |
| q | Allocation → Electronic parts catalogue „(ETKA)“ |
| 13 - | Securing clip |
| q | To remove and install pipe/hose assembly, pull out clip as far as it will go |
| 14 - | Slave cylinder |
| q | removing and fitting → Chapter |
| 15 - | Grease cap |
| 16 - | Vent valve |
| q | Bleed the clutch system → Chapter. |
| 17 - | Gearbox: |
| 18 - | Hexagon bolt, 20 Nm |
| 19 - | Spring retainer |
|
|
| Item | Connection type |
| 1 | Line connection with circumferential groove -arrow 1- |
| 2 | Line connection with shoulder -arrow 2- |
| 3 | Line connection with shoulder -arrow 2- and circumferential groove -arrow 3- |
|
|
|
