skoda Workshop Repair Guides

Skoda Workshop Service and Repair Manuals

Clean throttle valve control unitJ338 > < Intake manifold - Summary of components|Part II
Removing and installing the throttle valve control unitJ338
Removing and installing the throttle valve control unit -J338-
  Note
t  Safety precautions when working on the fuel supply system → Chapter.
t  Rules of cleanliness when working on the fuel supply system → Chapter.
Removing
For the vehicles Fabia II, Roomster
   
–  Release screws -1- and remove retaining clip.
–  Disconnect plug -2- at charge pressure sender -G31- with intake air temperature sender 2 -G299-.
–  Release the catches in -direction of arrow- and detach the pressure pipe -3- first of all from the throttle valve control unit -J338 - and then from the exhaust gas turbocharger.
For the vehicles Octavia II, Yeti
–  Release screws -1- and remove retaining clip.
  S15-0531
–  Disconnect plug -2- at charge pressure sender -G31- with intake air temperature sender 2 -G299 -.
–  Release the catches in -direction of arrow- and detach the pressure pipe -3- first of all from the throttle valve control unit -J338 - and then from the exhaust gas turbocharger.
Continued for all vehicles
  N15-10561
–  Disconnect the plug -1- from the throttle valve control unit -J338 -.
–  Release the fixing screws -2- and remove the throttle valve control unit -J338- from the intake manifold.
Install
–  Insert a new gasket ring in the groove of the intake manifold.
  N24-10626
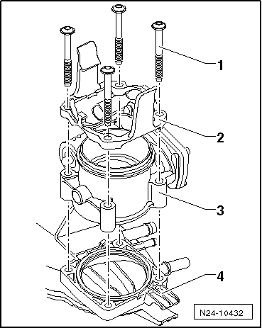
–  Position the throttle valve control unit -3- together with the adapter -2- and the fixing screws -1- onto the intake manifold -4-.
  N24-10432
–  Tighten fixing screws -2- to 7 Nm.
–  Fit the plug -1- at the throttle valve control unit -3-.
  Note
Before fitting the O-rings at the exhaust turbocharger and in the pressure pipe moisten slightly with engine oil.
For the vehicles Fabia II, Roomster
  N24-10626
–  Fit the pressure pipe -3- at the turbocharger.
–  Press the pressure pipe -3- onto the throttle valve control unit.
l  During this procedure the retaining clips must click audibly into place.
–  Tighten screws -1- of retaining clip to 7 Nm.
–  Connect plug -2- at charge pressure sender -G31- with intake air temperature sender 2 -G299 -.
For the vehicles Octavia II, Yeti
  S15-0531
–  Fit the pressure pipe -3- at the turbocharger.
–  Press the pressure pipe -3- onto the throttle valve control unit.
l  During this procedure the retaining clips must click audibly into place.
–  Tighten screws -1- of retaining clip to 7 Nm.
–  Connect plug -2- at charge pressure sender -G31- with intake air temperature sender 2 -G299 -.
Continued for all vehicles
If a new throttle valve control unit was installed:
–  Erase initialisation values and adapt the engine control unit -J623- to the throttle valve control unit → Vehicle diagnostic tester.
  N15-10561

Clean throttle valve control unitJ338 > < Intake manifold - Summary of components|Part II