toyota Workshop Repair Guides

Toyota Workshop Service and Repair Manuals

Diagram Information and Instructions|Page 7538 > < Tail Lamp Relay|Locations|Page 7533
Page 1
background image

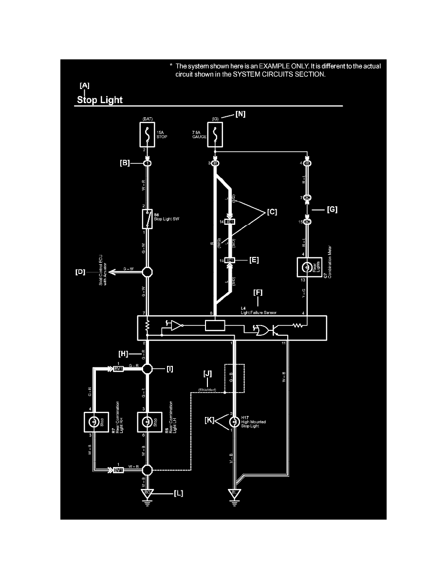
Trailer Lamps: Diagram Information and Instructions

Key to Diagrams

A :  System Title

B :  Indicates a Relay Block. No shading is used and only the Relay Block No. is shown to distinguish it from the J/B

Diagram Information and Instructions|Page 7538 > < Tail Lamp Relay|Locations|Page 7533