toyota Workshop Repair Guides

Toyota Workshop Service and Repair Manuals

Diagram Information and Instructions|Page 3987 > < Ignition Switch|Locations|Page 3984
Page 1
background image

Ignition Switch: Diagram Information and Instructions

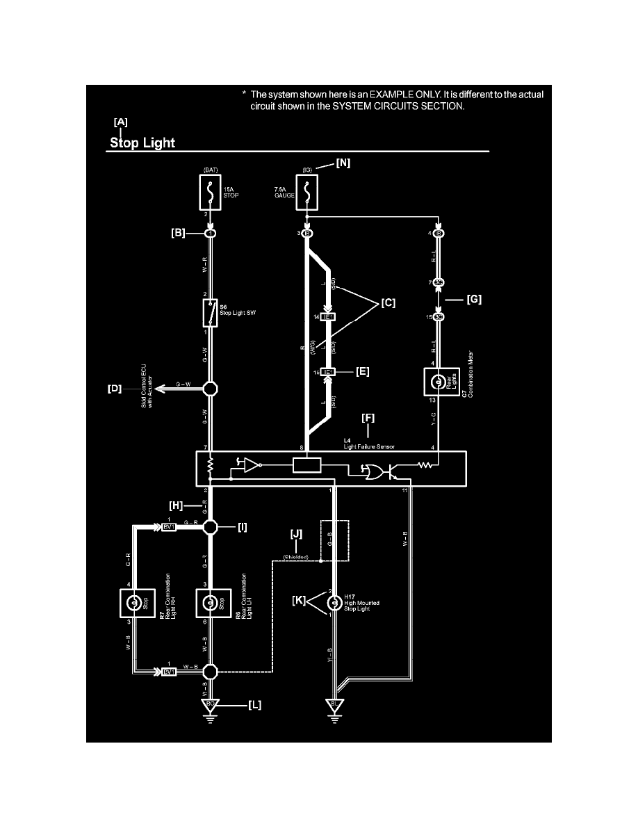
Key to Diagrams

A :  System Title

B :  Indicates a Relay Block. No shading is used and only the Relay Block No. is shown to distinguish it from the J/B

Diagram Information and Instructions|Page 3987 > < Ignition Switch|Locations|Page 3984